EasyManua.ls Logo

ESAB 453cc - Page 24

ESAB 453cc
32 pages
Print Icon
To Next Page IconTo Next Page
To Next Page IconTo Next Page
To Previous Page IconTo Previous Page
To Previous Page IconTo Previous Page
Loading...
24
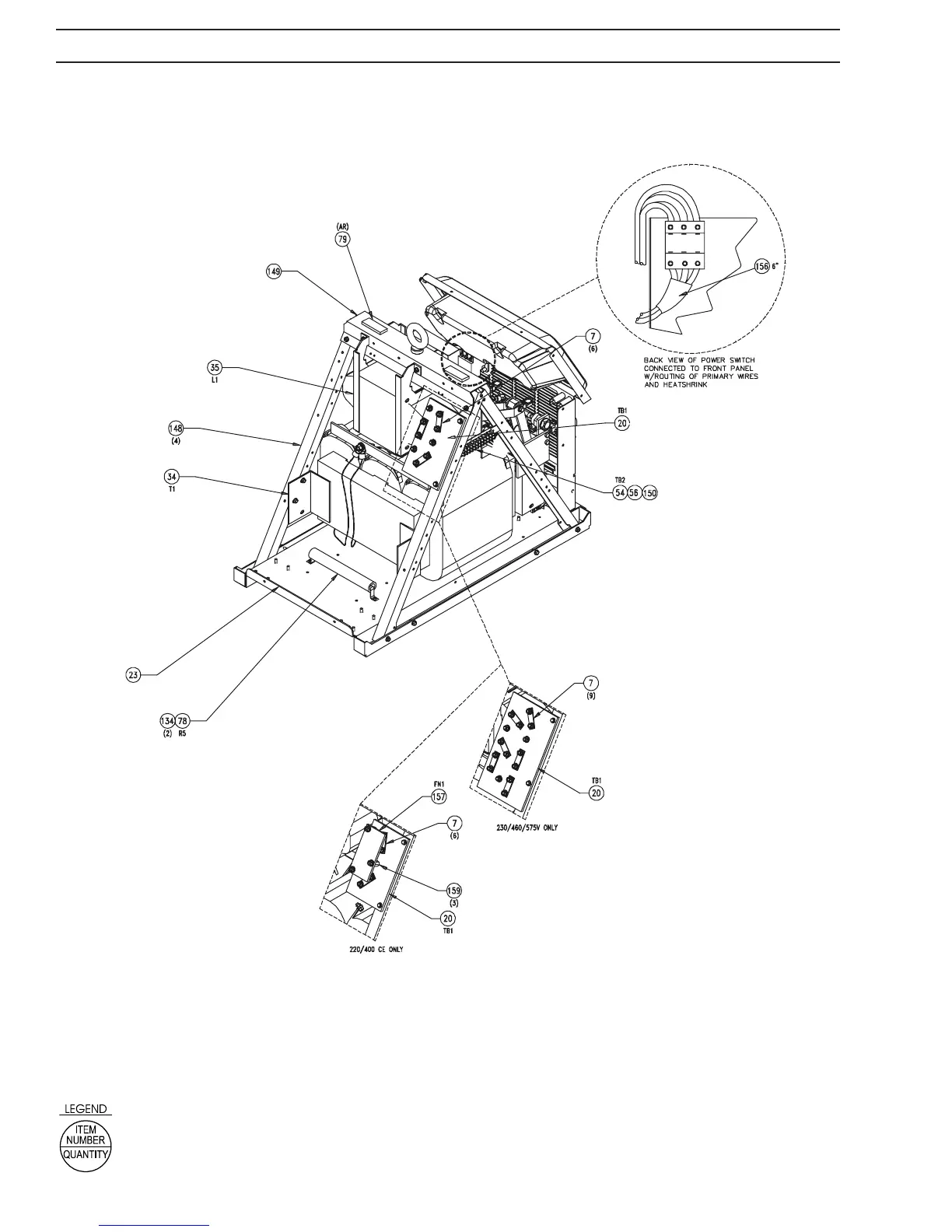
SECTION 6 REPLACEMENT PARTS
453cc-553cc View 5 - Internal Rear View

Related product manuals