EasyManua.ls Logo

ESAB 453cc - Page 26

ESAB 453cc
32 pages
Print Icon
To Next Page IconTo Next Page
To Next Page IconTo Next Page
To Previous Page IconTo Previous Page
To Previous Page IconTo Previous Page
Loading...
26
SECTION 6 REPLACEMENT PARTS
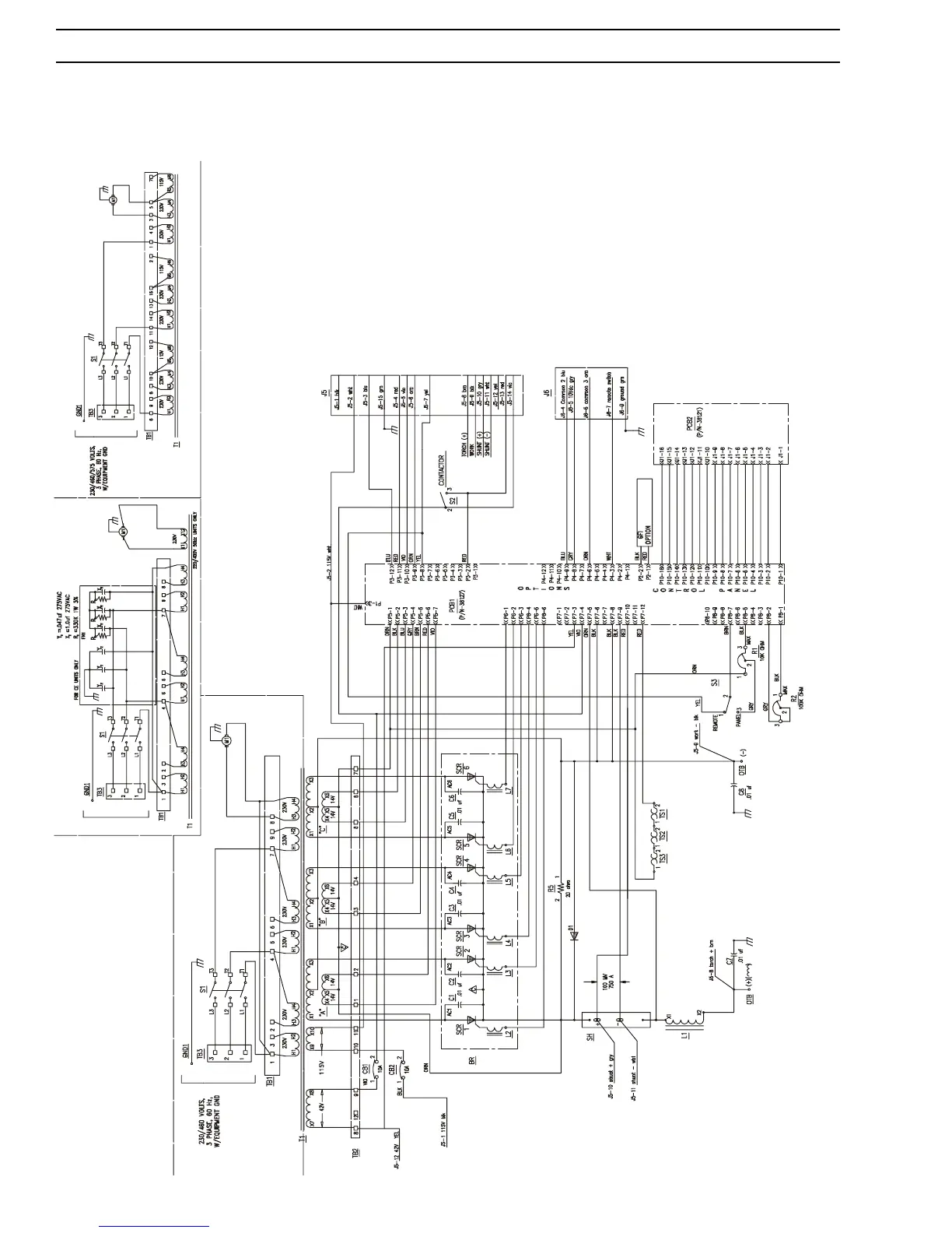
D-0558001568-A
453cc-553cc Schematic Diagram- 50/60 HZ
NOTES:
1. REFER TO WIRING DIAGRAMS FOR ALL CONNECTION
POINTS.
2. USE TYWRAPS 631507 (ITEM 41), 99511578 (ITEM 130),
180W66 (ITEM 145), 180W68 (ITEM 146). TO CONFINE
LOOSE WIRE AS REQUIRED. USE 71200732 (ITEM 123)
TO SECURE FILTER CAPACITORS. USE HEAT SHRINK
90863007 (ITEM 126), 90863202 (127) AND 90863203
(ITEM 128) TO INSULATE BARRELS OF TERMINALS.
3. APPLY ELECTRICAL JOINT COMPOUND (ITEM 124) TO
ALL COPPER TO COPPER, ALUMINUM TO COPPER AND
ALUMINUM TO ALUMINUM CONNECTIONS.
4. CUT FAN MOTOR 82062334 (ITEM 16) LEADS TO 10"
FROM MOTOR AND INSTALL FASTONS 950905 (ITEM 46).
5. INSTALL FAN MOTOR 82062334 (ITEM 16) WITH CAPACI-
TOR IN UP POSITION.
6. BEFORE ASSEMBLING TURN POTS 13730632 (ITEM 69) &
892W64 (ITEM 166) COUNTERCLOCKWISE TO MINIMUM
POSITION. POINTER TO BE AT "MIN" DESIGNATION
SHOWN ON CONTROL PANEL.
7. CERTAIN ITEMS CALLED FOR AND SHOWN ON THESE
DRAWINGS ARE ACTUALLY PART OF THE WIRE KITS.
8. ITEMS 672786 (ITEM 44), 8950219 (ITEM 10), AND TAG
(ITEM 60) MUST BE SHIPPED WITH MACHINE.

Related product manuals