EasyManua.ls Logo

ESAB A2 TFE1 - 3 Installation; General; Connections

ESAB A2 TFE1
44 pages
Print Icon
To Next Page IconTo Next Page
To Next Page IconTo Next Page
To Previous Page IconTo Previous Page
To Previous Page IconTo Previous Page
Loading...
-- 2 2 --
dha4d1ea
3 I NSTALLATION
3.1 General
The in stallatio n shall be execu ted by a p rofessional.
WARNING!
Rotating parts can cause injury, take great care.
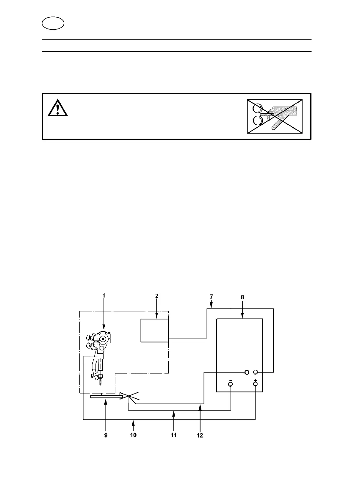
3.2 Connections
1. The connection of the A2--A6 Process Controller ( PEH) to the automatic welding
machine has been done on delivery.
For further information, see the A2--A6 Process Controller (PEH) instruction
manual.
2. Connect the A2 Multitrac as shown in the drawing.
SUBMERGED ARC WELDING
S Connect the control cable (7) between the power source (8) and the control
box A2--A6 Process Controller (PEH) (2).
S Connect the return cable ( 11) between the power source (8) and work piece (9).
S Connect the welding cable (10) between the power source (8) and the
automatic welding machine (1).
S Connect the measurement cable (12) between the power source (8) and
workpiece (9).
GB