EasyManua.ls Logo

ESAB A2 TFE1 - 3 Óñòàíîâêà; Îáùåå; Ïîäêëþ÷Åíèå

ESAB A2 TFE1
44 pages
Print Icon
To Next Page IconTo Next Page
To Next Page IconTo Next Page
To Previous Page IconTo Previous Page
To Previous Page IconTo Previous Page
Loading...
dha4d1ra
-- 8 --
ÑÒÀÍÎÂÊÀ
3.1 Îáùåå
Ââîä â ýêñïëóàòàöèþ äîëæåí ïðîèçâîäèòüñÿ êâàëèôèöèðîâàííûì
ñïåöèàëèñòîì.
ÏÐÅÄÓÏÐÅÆÄÅÍÈÅ !
Âðàùàþùèåñÿ ÷àñòè ìîãóò ïðè÷èíèòü óâå÷üå, áóäüòå
îñîáåííî îñòîðîæíû.
3.2 Ïîäêëþ÷åíèå
Áëîê óïðàâëåíèÿ À2-À6 ÐÅÍ ïîäêëþ÷åí ê òðàêòîðó íà çàâîäå.
Äîïîëíèòåëüíóþ èíôîðìàöèþ âû íàéäåòå â èíñòðóêöèè ê áëîêó óïðàâëåíèÿ
À2-À6 ÐÅÍ.
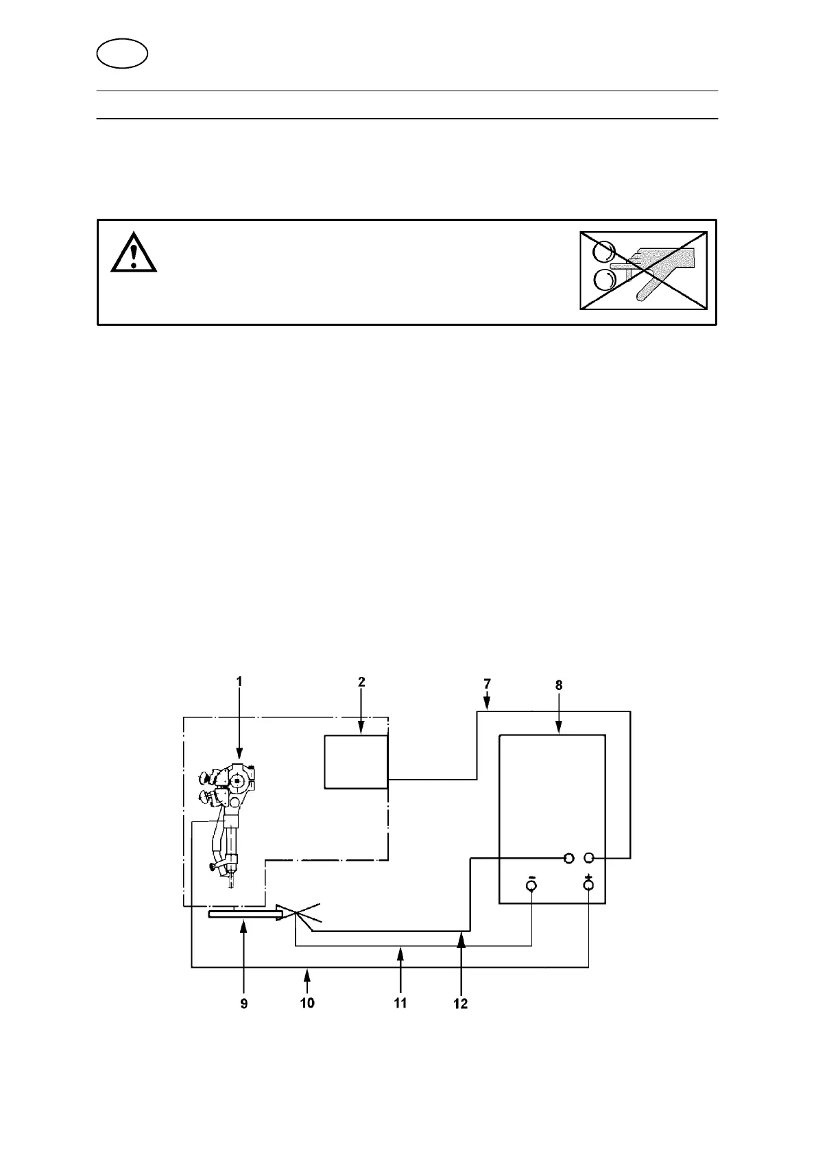
Ïîäêëþ÷èòå òðàêò îð À2 Multitrac êàê ïîêàçàíî íà ÷åðòåæå
ÑÂÀÐÊÀ ÏÎÄ Ô ËÞÑÎÌ
S Ïîäñîåäèíèòå êàáåëü óïðàâëåíèÿ (7) ê èñòî÷íèêó ïèòàíèÿ (8) è ê áëîêó
óïðàâëåíè ÿ A2-A6 PEH (2).
S Ïîäñîåäèíèòå îáðàòíûé êàáåëü(11) ê èñòî÷íèêó ïèòàíèÿ(8) è ê çàãîòîâêå
(9).
S Ïîäñîåäèíèòå ñâàðî÷íûé êàáåëü(10) ê èñòî÷íèêó ïèòàíèÿ(8) è ê
ñâàðî÷íîìó òðàêòîðó (1).
S Ïîäñîåäèíèòå êàáåëü îáðàòíîé ñâÿçè(12) ê èñòî÷íèêó ïèòàíèÿ(8) è ê
çàãîòîâêå(9).
RU