EasyManua.ls Logo

ESAB A6S Arc Master - Page 27

ESAB A6S Arc Master
60 pages
Print Icon
To Next Page IconTo Next Page
To Next Page IconTo Next Page
To Previous Page IconTo Previous Page
To Previous Page IconTo Previous Page
Loading...
- 27 -
*(;;,!
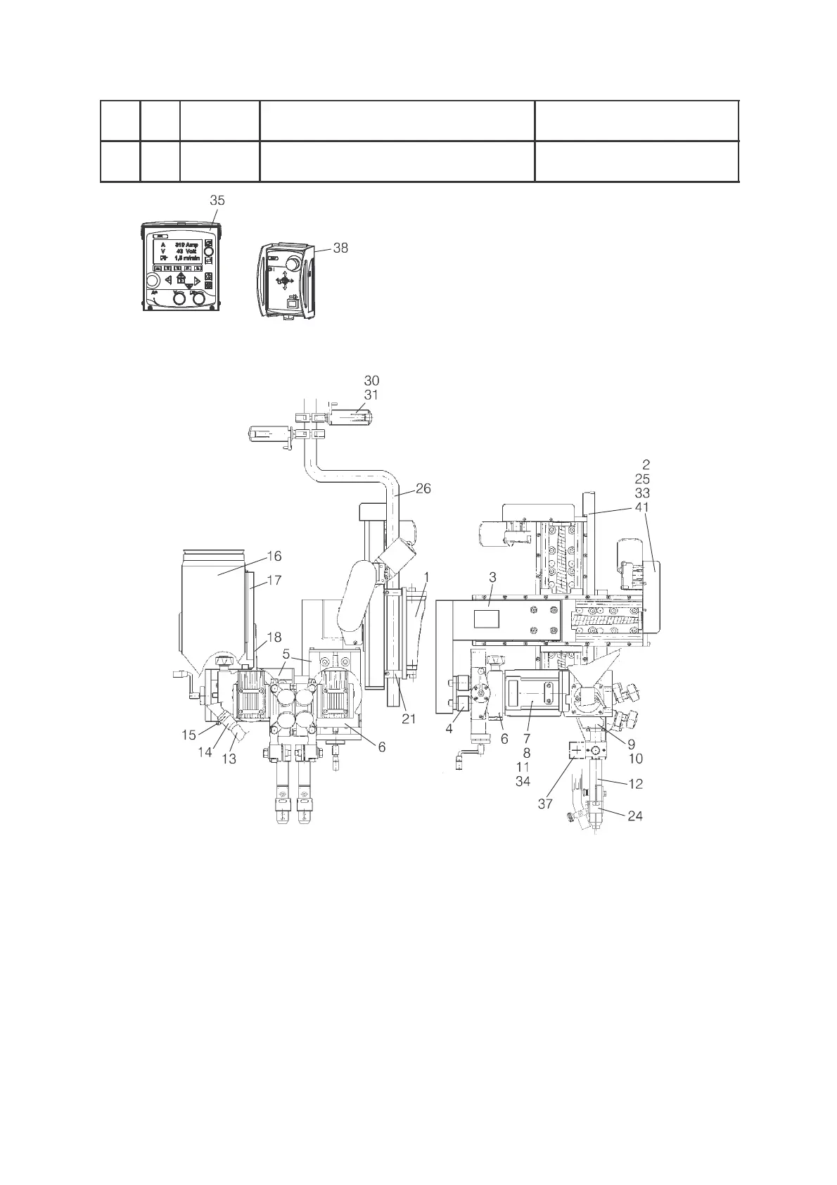
Item
no.
NotesDenominationOrdering no.Qty
>+ , !**>*>$$$! @  
>* , !*#!>!$$>, 8  +

Related product manuals