EasyManua.ls Logo

ESAB A6S Arc Master - Page 39

ESAB A6S Arc Master
60 pages
Print Icon
To Next Page IconTo Next Page
To Next Page IconTo Next Page
To Previous Page IconTo Previous Page
To Previous Page IconTo Previous Page
Loading...
- 39 -
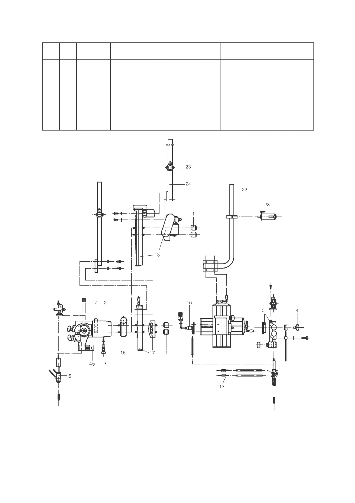
*(#(#+
Item
no.
NotesDenominationOrdering no.Qty
16 1 0671171580 Angular slide
18 2 0334333884 Motorised slides A6 Slide (L=300), see separate manual
23 1 0146967880 Brake hub
24 1 0334318880 Reel holder, straight
45 1 0461239883 Cable (arc voltage) 3.0 m
80 1 0457713001 Bar
>+ , !**>*>$$$! Junction box complete
>* , !*#!>!$$>, Encoder cable +

Related product manuals