EasyManua.ls Logo

ESAB EC 1000 - Diagram

ESAB EC 1000
26 pages
Print Icon
To Next Page IconTo Next Page
To Next Page IconTo Next Page
To Previous Page IconTo Previous Page
To Previous Page IconTo Previous Page
Loading...
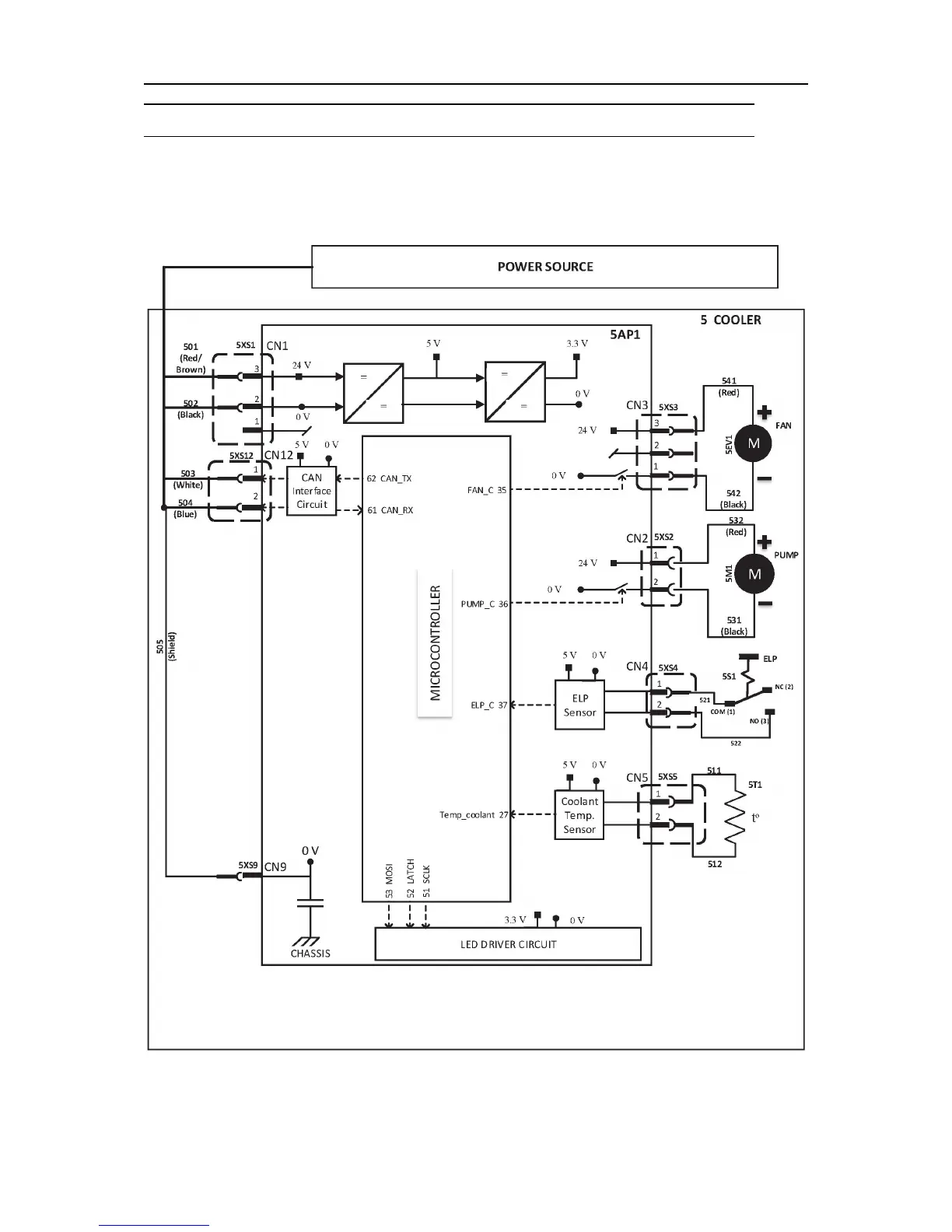
DIAGRAM
0445 030 101
- 20 -
© ESAB AB 2017
DIAGRAM

Related product manuals