EasyManua.ls Logo

ESAB Heliarc 252 - Page 39

ESAB Heliarc 252
52 pages
Print Icon
To Next Page IconTo Next Page
To Next Page IconTo Next Page
To Previous Page IconTo Previous Page
To Previous Page IconTo Previous Page
Loading...
39
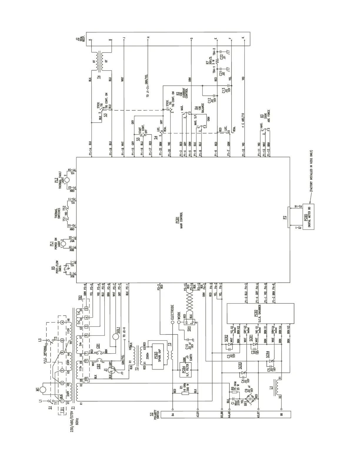
Figure 5-3. Schematic Diagram - Heliarc 252/352 AC/DC, 230/460/575 vac, 60 Hz, 1 ph.
36292-D

Related product manuals