EasyManua.ls Logo

ESAB migmaster 215 pro - Page 36

ESAB migmaster 215 pro
42 pages
Print Icon
To Next Page IconTo Next Page
To Next Page IconTo Next Page
To Previous Page IconTo Previous Page
To Previous Page IconTo Previous Page
Loading...
-- 36 --
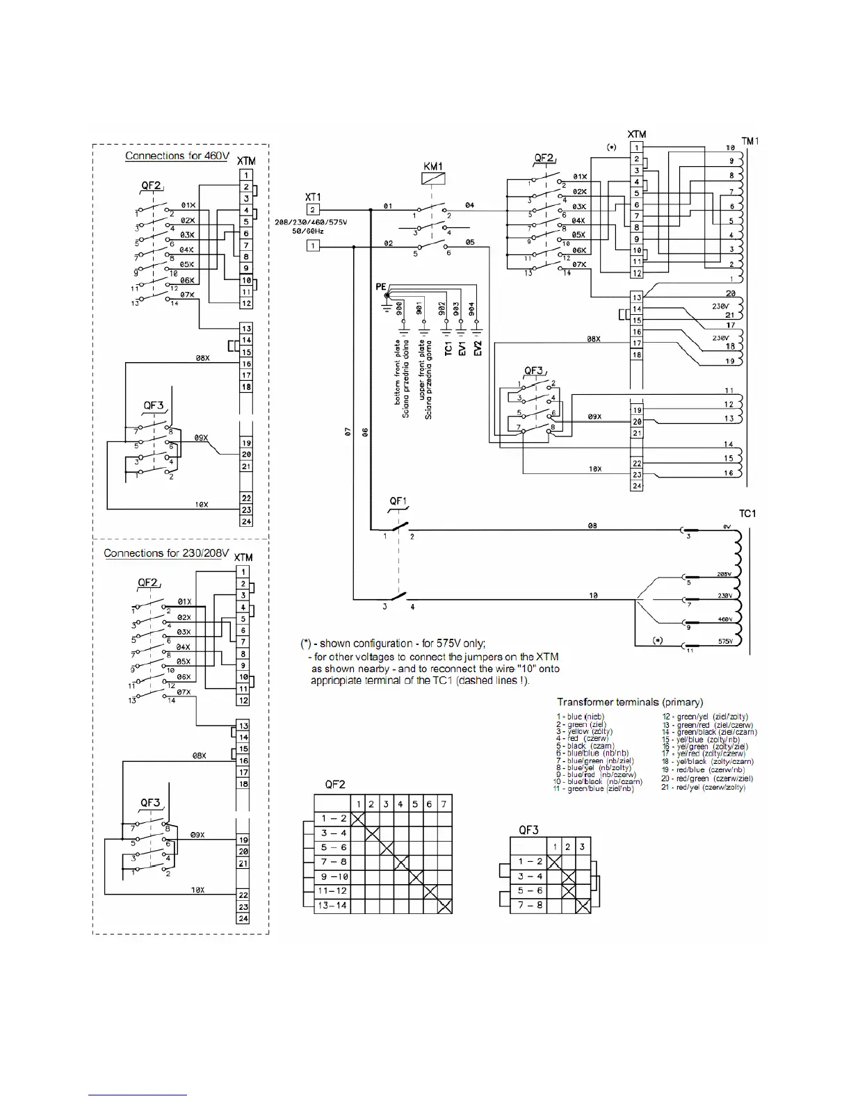
dMM215P
Migmaster 215 Pro, 208/230/460/575V

Related product manuals