EasyManua.ls Logo

Etel DSCDM - Page 147

Default Icon
370 pages
Print Icon
To Next Page IconTo Next Page
To Next Page IconTo Next Page
To Previous Page IconTo Previous Page
To Previous Page IconTo Previous Page
Loading...
ETEL Doc. - Operation & Software Manual # DSC2P 903 / Ver. F / 3/6/05 Chapter C: System functions
Operation & Software Manual
Direct Drives & Systems 147
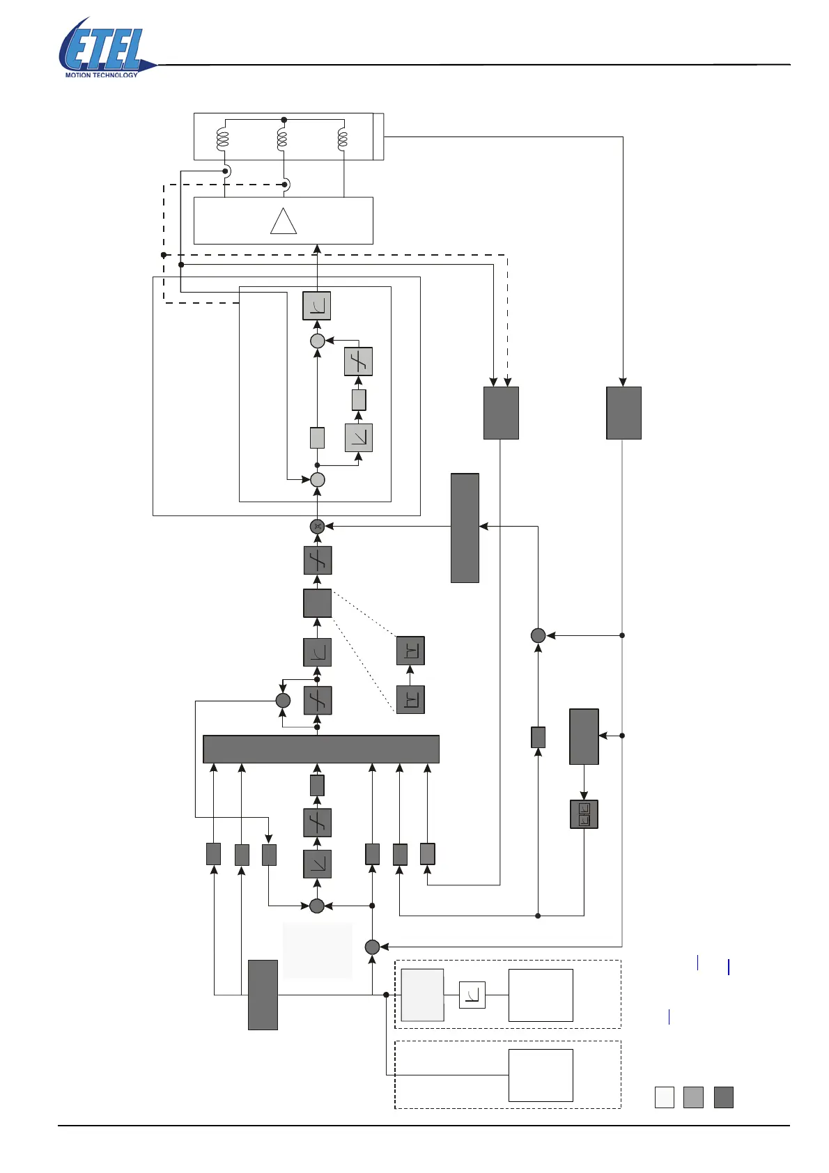
The graphs below show the regulation loop of the DSMAX position reference mode:
Force
calculator
Motor position
Motor position x
Motor speed v
F force supplied by the motor
Integrator
Integrator
Limit
Limit
Limit
1
st
order
filter
1
st
order
filter
Current in phase
Encoder
Phase 1
Phase 3
Phase 2
Motor
Speed
estimato
1
st
order
filter (x2)
Current loop : 1, 2 or 3 phases
Fc
Ic
I
1
I
2
K80
K81
K82
K60
K9
K114
K115
K116
K117
K118
K104
K105
K106
K107
K108
K6
K4
K1
K2
K23
K5
K21
K20
Motor commutation
look-up table
Position
calculator
K8
Advanced
filters
K3
Limit
K60
+
+
+
+
+
+
+
+
+
+
+
+
-
-
-
-
-
-
X
X
c
X
e
V
c
a
c
DSMAX
Feedforward
estimator
DSMAX
ITP = 1ITP = 2
Encoder
scaling/
mapping
*K600
sti (refer to §4.
)
Regulator: fti (refer to §4.
)
Regulator: cti (refer to §4.
)
Remark: Parameter K82 does not exist on the DSCDL.

Table of Contents

Related product manuals