EasyManua.ls Logo

Etel DSCDM - Page 148

Default Icon
370 pages
Print Icon
To Next Page IconTo Next Page
To Next Page IconTo Next Page
To Previous Page IconTo Previous Page
To Previous Page IconTo Previous Page
Loading...
Operation & Software Manual
148
Direct Drives & Systems
Chapter C: System functions ETEL Doc. - Operation & Software Manual # DSC2P 903 / Ver. F / 3/6/05
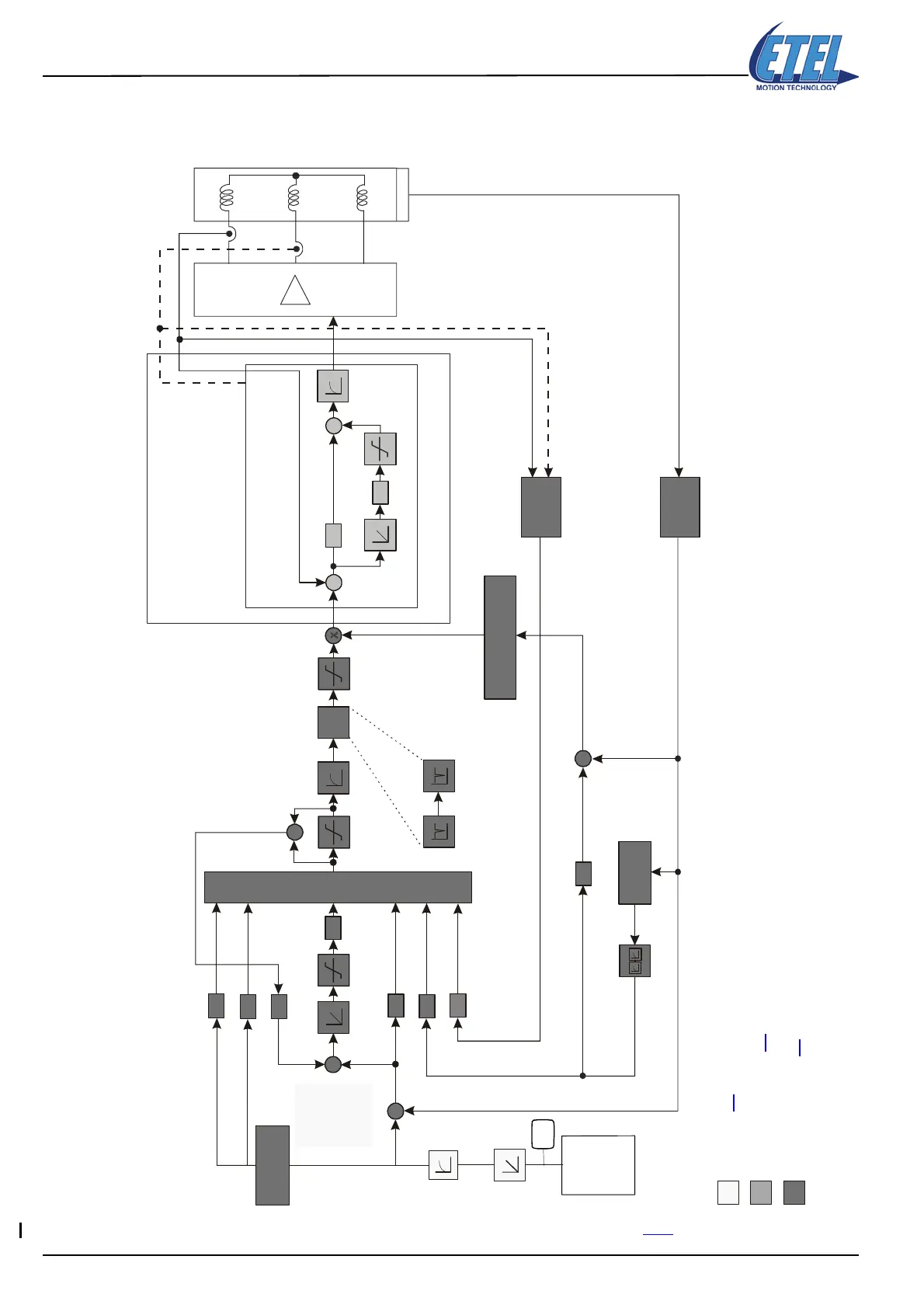
13.2.1.4 Speed reference mode (K61=3):
The external reference is used as a speed reference. An integrator calculates the position reference from this
reference. The graph below shows the regulation loop of the speed reference mode:
Remark: The external speed reference is given in [usi] and [rusi]. Refer to §20.
for more information.
M17
Set up
external
position
reference
K213
Feedforward
estimator
Force
calculator
Motor position
Motor position x
Motor speed v
F force supplied by the motor
Integrator
Integrator
Limit
Limit
Limit
1
st
order
filter
1
st
order
filter
Current in phase 1
Encoder
Phase 1
Phase 3
Phase 2
Motor
Speed
estimator
1
st
order
filter (x2)
Current loop : 1, 2 or 3 phases
Fc
Ic
I
1
I
2
K80
K81
K82
K60
K9
K114
K115
K116
K117
K118
K104
K105
K106
K107
K108
K6
K4
K1
K2
K23
K5
K21
K20
Motor commutation
look-up table
Position
calculator
K8
Advanced
filters
K3
Limit
K60
+
+
+
+
+
+
+
+
+
+
+
+
-
-
-
-
-
-
X
X
c
X
e
V
c
a
c
Integrator
sti (refer to §4.)
Regulator: fti (refer to §4.
)
Regulator: cti (refer to §4.
)
Remark: Parameter K82 does not exist on the DSCDL.

Table of Contents

Related product manuals