EasyManua.ls Logo

Eureka E 46 B - Elektrische Anlage E36 Akku

Eureka E 46 B
56 pages
Print Icon
To Next Page IconTo Next Page
To Next Page IconTo Next Page
To Previous Page IconTo Previous Page
To Previous Page IconTo Previous Page
Loading...
54
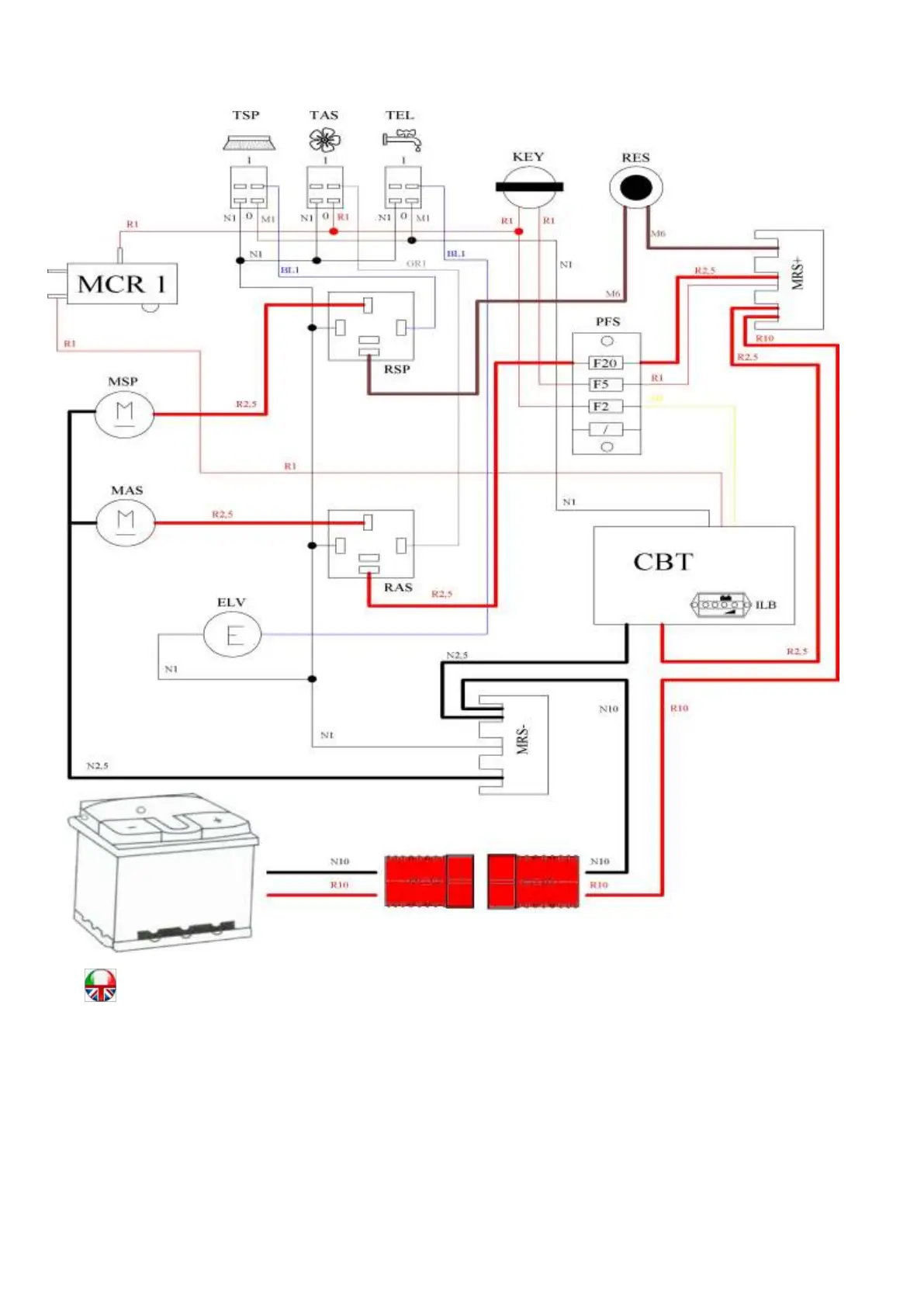
IMPIANTO ELETTRICO E 46 B - E 46 B electrical plant
Descrizioni
Descriptions
MRS
+ / -
Morsetto Elettrico
Electric Clamp
ILB
Segnalatore Batterie
Battery Level Indicator
MCR1
Microinterruttore Sicurezza
Safety Micro Switch
N 2,5
Cavo Elett. Nero Ø 2,5 mm²
Black electric cable Ø 2,5 mm²
PFS
Porta Fusibili
Fuse Container
MAS
Motore Aspirazione
Suction Motor
N 1
Cavo Elett. Nero Ø 1 mm²
Black electric cable Ø 1 mm²
R 2,5
Cavo Elett. Rosso Ø 2,5 mm²
Red electric cable Ø 2,5 mm²
TSP
Tasto Motore Spazzole
Brush motor switch
MSP
Motore Spazzole
Brush Motor
Bl 1
Cavo Elett. Blu Ø 1 mm²
Blue electric cable Ø 1 mm²
R 6
Cavo Elett. Rosso Ø 6 mm²
Red electric cable Ø 6 m
TAS
Tasto Motore Aspiraz.
RAS
Relè Motore Aspiraz.
R 1
Cavo Elett. Rosso Ø 1 mm²
M6
Cavo Elett. Marrone Ø 6mm²
TEL
Tasto Elettrovalvola
RSP
Relè Motore Spazzole
G 1
Cavo Elett. Giallo Ø 1mm²
N 10
Cavo Elett. Nero Ø 10 mm²
RES
Tasto RESET 40 A
RESET Switch 40 A
ELV
Elettrovalvola
Solenoid Valve
M 1
Cavo Elett. Marrone Ø 1mm²
Brown electric cable Ø 1 mm²
R 10
Cavo Elett. Rosso Ø 10 mm²
Red electric cable Ø 10 mm²
KEY
Interruttore a chiave
Key Switch
CBT
Caricabatterie
Battery Charger
GR 1
Cavo Elett. Grigio Ø 1mm²
Grey electric cable Ø 1 m

Related product manuals