EasyManua.ls Logo

Eurowater SE 30 - Tank Connection Wiring; Analog Input;Output Wiring; Digital and Control Signal Wiring

Eurowater SE 30
12 pages
Print Icon
To Next Page IconTo Next Page
To Next Page IconTo Next Page
To Previous Page IconTo Previous Page
To Previous Page IconTo Previous Page
Loading...
L30C-30A-UK-02-01 2 May 2009
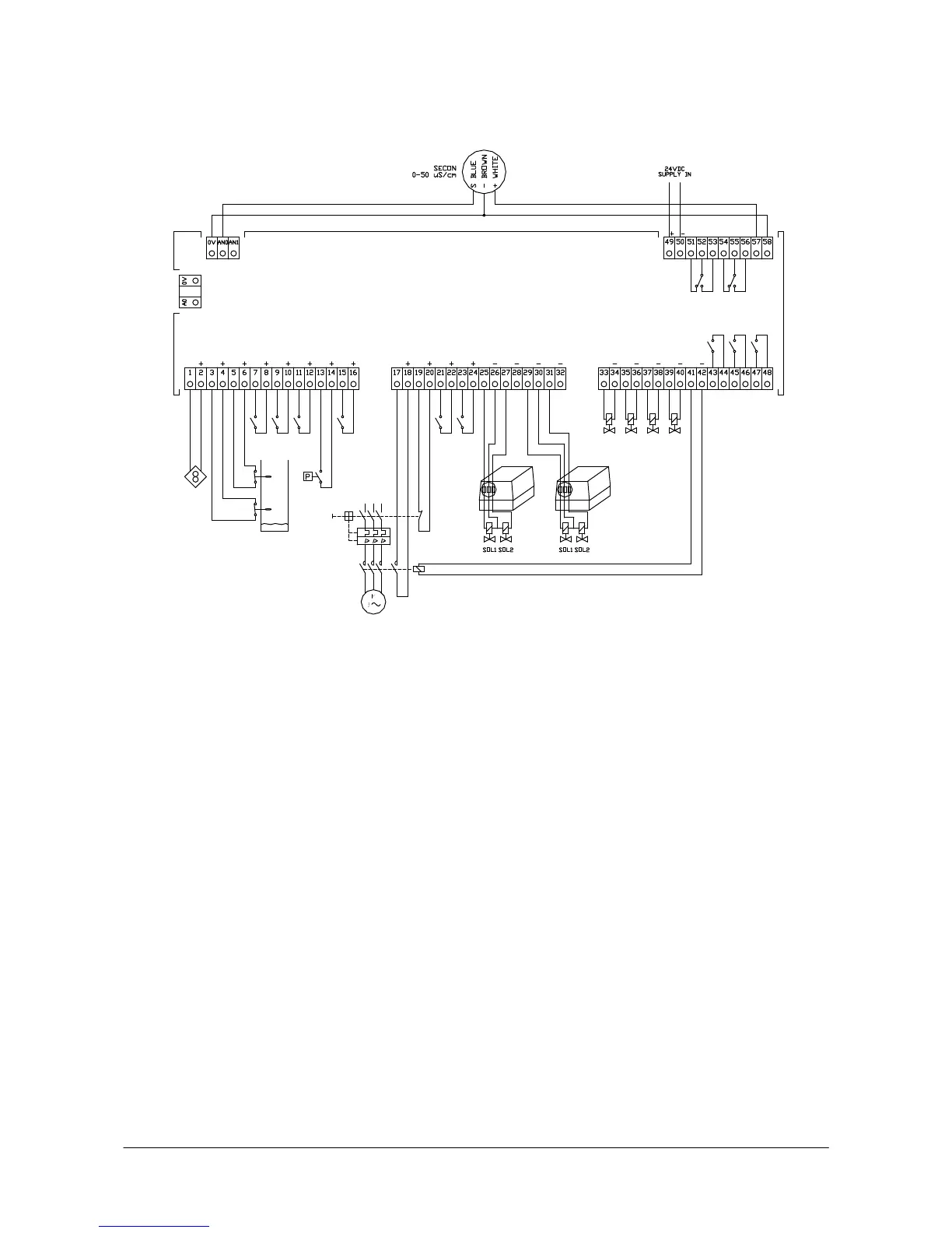
3. CONNECTION OF TANKS
0V+AN0: Conductivity input, analog A0+0V: Conductivity output, analog
0V+AN1: Available input, analog
1+2: I0 Water meter 25+26: O0 Sol 1 T1
3+4: I1 LS min. 27+28: O1 Sol 2 T1
5+6: I2 LS max. 29+30: O2 Sol 1 T2
7+8: I3 External operation request 31+32: O3 Sol 2 T2
9+10: I4 External regeneration start 33+34: O4 Outlet valve T1
11+12: I5 Block automatic regeneration 35+36: O5 Outlet valve T2
13+14: I6 Pressure switch 37+38: O6 RO inlet valve
15+16: I7 Block operation 39+40: O7 RO quality rinse valve
17+18: I8 RO pump in operation 41+42: O8 RO pump
19+20: I9
RO protective motor switch, disconnected
43+44: O9 Alarm (potential-free)
21+22: I10 Conductivity = OK 45+46: O10 Dosing (potential-free)
23+24: I11 Alarm reset 47+48: O11
Output configuration (potential-free)
49+50 Supply 24 VDC
51+52+53
Regeneration, softening (potential-free)
54+55+56 Alarm (potential-free)
57+58 24 VDC miscellaneous