EasyManua.ls Logo

Everbilt SBF300 - Page 6

Everbilt SBF300
20 pages
Print Icon
To Next Page IconTo Next Page
To Next Page IconTo Next Page
To Previous Page IconTo Previous Page
To Previous Page IconTo Previous Page
Loading...
6 For Professional Technical Support call 1-844-241-5521
Installation (continued)
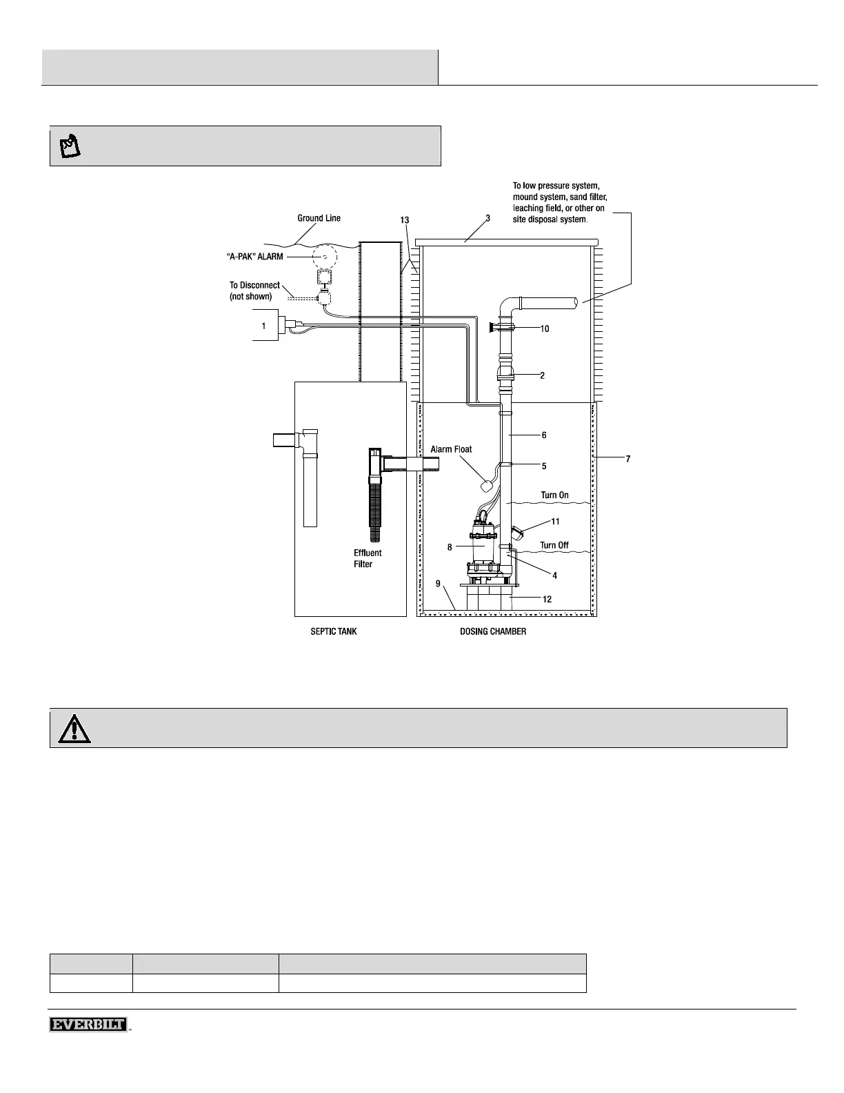
13. Septic tank risers must be used for easy pump and filter access.
NOTE: Double seal pumps offer extra protection from damage
caused by seal failure.
All installations must comply with all applicable electrical and plumbing codes, including, but not limited to, National Electrical Code, local,
regional, and/or state plumbing codes, etc. Not intended for use in hazardous locations.
Electrical
WARNING: Risk of electric shock. Can shock, burn or kill. When installing, operating, or servicing this pump, follow safety instructions
listed below.
1. DO NOT splice the electrical power cord.
2. DO NOT allow the electrical cord plug to be submerged.
3. DO NOT use extension cords. They are a fire hazard and can reduce voltage sufficiently to prevent pumping and/or damage the motor.
4. DO NOT handle or service the pump while it is connected to a power supply.
5. DO NOT remove the grounding prong from the plug or modify the plug to protect against electrical shock. The power cord is a three-wire
conductor and includes a 3-prong grounded plug. Plug the pump into a 3-wire, grounded, grounding type receptacle. Connect the pump
according to electrical codes that apply.
For automatic operation, plug or wire the pump into an automatic float switch or pump controller. The pump will run continuously when
plugged directly into an electrical outlet. Connect or wire the pump to an individual branch circuit with no other outlets or equipment in the
circuit.
Size fuses or circuit breakers according to this chart:
Fuse Data
HP Voltage Individual Branch Circuit Required (Amps)
1/2 115 15

Related product manuals