EasyManua.ls Logo

Everlasting 1502 - Page 59

Default Icon
Print Icon
To Next Page IconTo Next Page
To Next Page IconTo Next Page
To Previous Page IconTo Previous Page
To Previous Page IconTo Previous Page
Loading...
59
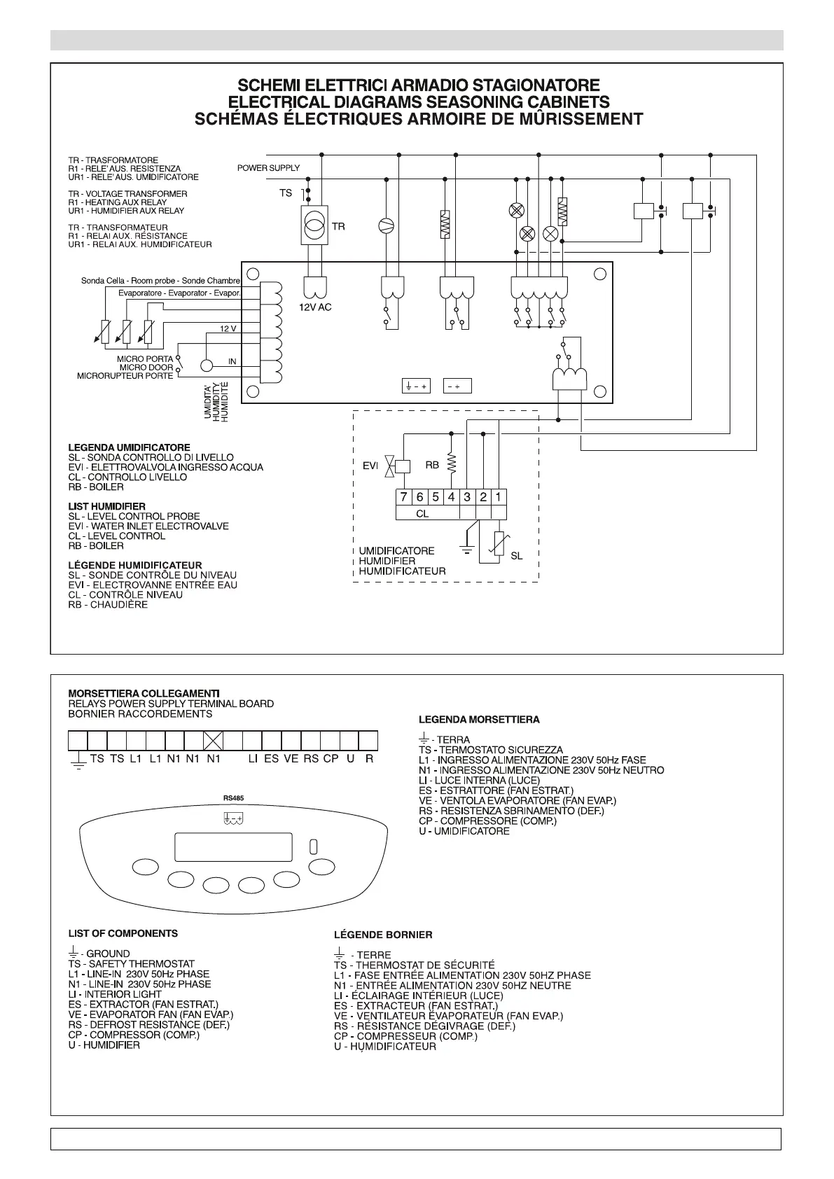
P1 P2 P3
CP
RS
VE
ES
LI
RR
K1
K2
RS485
RR - RESISTENZE RISCALDANTE
TR - TRASFORMATORE 230/12V
P1 - SONDA CELLA
P2 - SONDA EVAPORATORE
P3 - SONDA ALTA TEMPERATURA
RR - HEATING ELEMENTS
TR - TRANSFORMER 230 / 12V
P1 - PROBE
P2 - EVAPORATOR PROBE
P3 - HIGH TEMPERATURE PROBE
RR - RESISTANCES
TR - TRANSFORMER 230 / 12V
P1 - PROBE
P2 - SONDE EVAPORATEUR
P3 - SONDE DE TEMPÉRATURE HAUTE

Related product manuals