EasyManua.ls Logo

EVOCA Kalea - Page 97

EVOCA Kalea
108 pages
Print Icon
To Next Page IconTo Next Page
To Next Page IconTo Next Page
To Previous Page IconTo Previous Page
To Previous Page IconTo Previous Page
Loading...
01-2018 5035 01
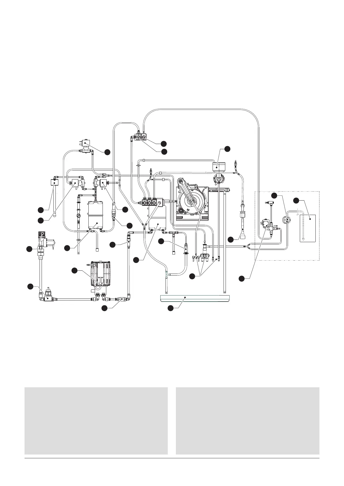
1. Mains water solenoid valve
2. Pressure switch
3. Pump
4. Flow meter
5. Mixer
6. Hot water spout*
7. Liquid residue container
8. Espresso safety valve
9. Non return valve
10. Steam boiler
11. Non return valve
12. Steam solenoid valve
13. Espresso boiler
14. Milker nozzle washinig solenoid valve
15. Steam boiler filling solenoid valve
16. Milk tank
17. Milk pump
18. Air / washing solenoid valve
19. Dispensing nozzle
20. Cappuccinatore washing solenoid valve
21. solenoid valve steam spout *
22. Steam spout *
* only some models
KALEA PLUS HYDRAULIC CIRCUIT
espresso with cappuccino maker
1
2
3
4
5
6
7
8
9
10
13
11
14
15
20
12
16
17
18
22
21
19

Related product manuals