EasyManua.ls Logo

Evolution Aqua Cetus sieve - General Cetus Sieve Installation Advice; Pipe Sizes for Installation; Circulating Pump Installation

Evolution Aqua Cetus sieve
8 pages
Print Icon
To Previous Page IconTo Previous Page
To Previous Page IconTo Previous Page
Loading...
DUAL GRAVITY FED - INSTALLATION
-7-
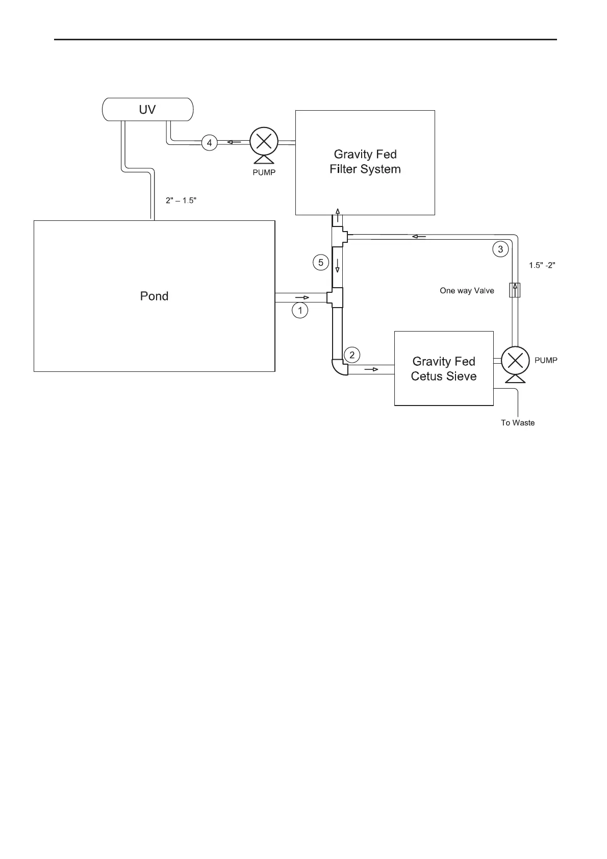
To e xp la in this syste m in b e tte r d e ta il, d ia g ra m 10 b e lo w is a to p vie w sc he ma tic
o f ho w to insta ll a d ua l g ra vity fe d C e tus a nd lte r. The fo llo wing p o ints re la te to
the o ws within the syste m
1) Wa te r le a ve s the p o nd via a 4 b o tto m d ra in a nd tra ve ls to the rst T-p ie c e
2) Wa te r the n tra ve ls to the C e tus
3) Wa te r is p ump e d fro m the C e tus to the lte r
4) Wa te r is p ump e d fro m the lte r b a c k to the p o nd
5) Exc e ss wa te r o ws thro ug h the b a la nc e p ip e b a c k to the C e tus
The re a re hug e b e ne ts to b e g a ine d b y utilising this ne w e volution in po nd
ltratio n
Running the se units in this c o ng ura tio n ma ximise s the inte rva l b e twe e n
c le a ns
Eithe r unit c a n b e switc he d o ff to c a rry o ut ma inte na nc e witho ut a ffe c ting
the o the r
Bo th the C e tus a nd the lte r c a n run ind e p e nd e ntly o f the o the r unit
N.B. We wo uld like to e xp re ss o ur tha nks to Ma lc o lm G re e n o f Ko i Wa te r G a rd e n
Limite d fo r his he lp in this Dua l G ra vity se tup
Fig 10

Other manuals for Evolution Aqua Cetus sieve

Related product manuals