EasyManua.ls Logo

Evolveo AHD7 - Page 122

Evolveo AHD7
Print Icon
To Next Page IconTo Next Page
To Next Page IconTo Next Page
To Previous Page IconTo Previous Page
To Previous Page IconTo Previous Page
Loading...
122
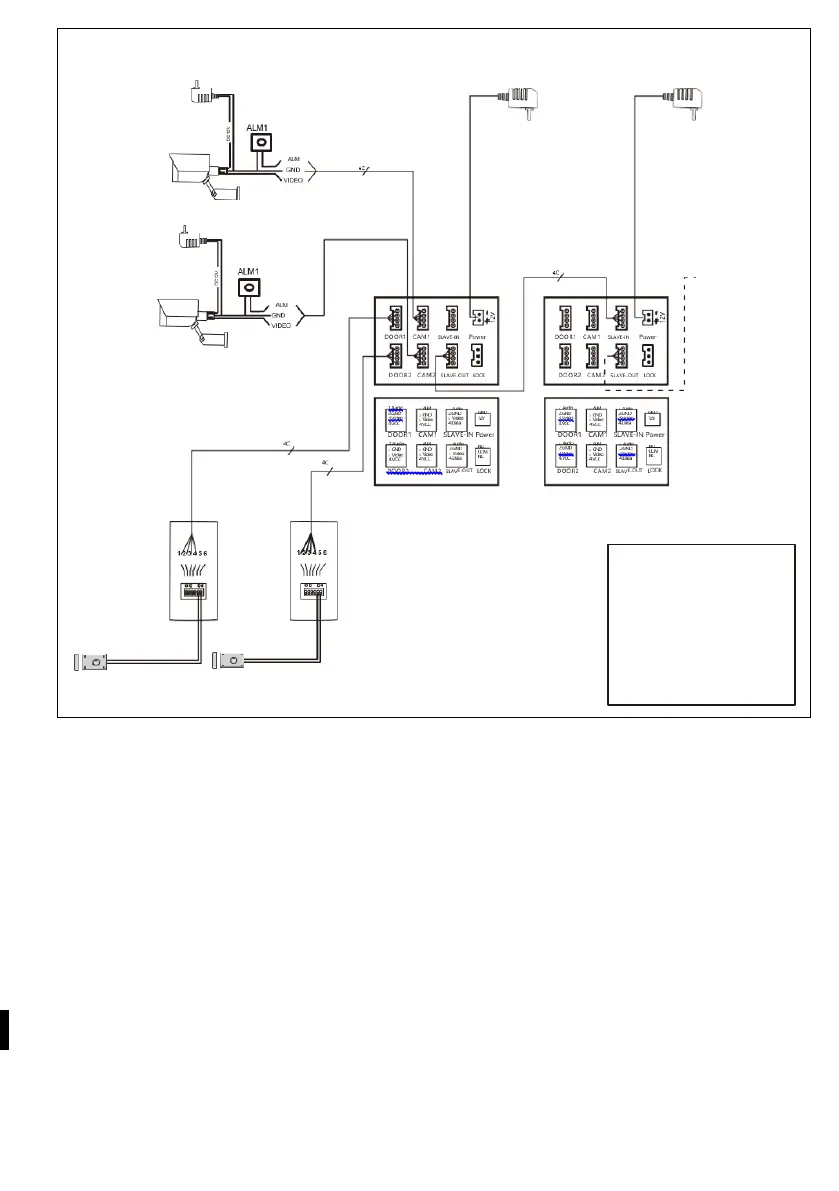
Observație: Acest videofon poate controla încuietoarea electrică a ușii NO, NC. Cu
toate acestea, trebuie să conectați o sursă de alimentare suplimentară. Utilizați
numai adaptorul official furnizat.
Î
n cazul în care distanța este de 10 m, utilizați RVV4x0,3 mm². Dacă utilizatoru
l
d
orește să extindă distanța la 10-30 m, utilizați cablul RVV4 x 0,5 mm². Dac
ă
u
tilizatorul dorește să extindă distanța la 30-50 m, utilizați cablu RVV4 x 0,75
mm². Conectați separat bornele de cablu 1,2,3,4 ale unității interioare cu bornele
de cablu 1,2,3,4 ale unității exterioare.
Bornele 5 și 6 sunt utilizate pentru conectarea încuietoarei electronice, conectați
încuietoarea electronică cu un cablu RVV2X1,0 mm².
(Pozn: Releul unității exterioare este capabil să controleze curenți de până la
1A/24V DC)
Instrucțiuni de cablare :
1.Verde: Audio
2.Black:GND
3.Žlutá:Video
4.Red: VCC
5.Lock+
6.Lock-
Camera de securitate 1
Adaptor
Adaptor
Monitor principal
Extinderea
monitorului
Max. 3
monitoare de
extensie
Castelu
Castelu
Uși
Stanice 1
Uși
Stanice 2

Related product manuals