EasyManua.ls Logo

Evolveo AHD7 - Page 65

Evolveo AHD7
Print Icon
To Next Page IconTo Next Page
To Next Page IconTo Next Page
To Previous Page IconTo Previous Page
To Previous Page IconTo Previous Page
Loading...
65
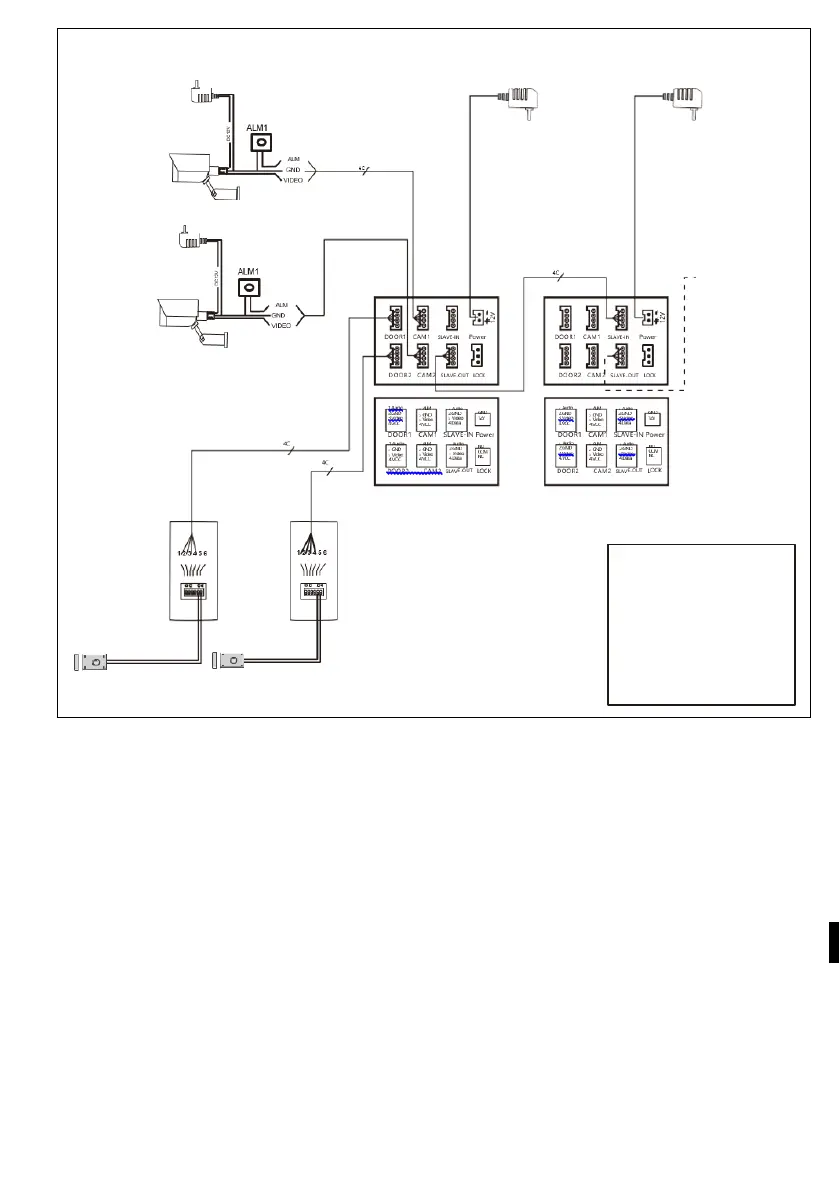
Remark: This videophone can control the electric door lock NO, NC. However, it
needs to connect an additional power supply. Use only the supplied official adapter.
I
f the distance is 10 m, use RVV4x0.3 mm². If the user wants to extend th
e
d
istance to 10 to 30 m, use the RVV4 x 0.5 mm² cable. If the user wants to
extend the distance to 30 to 50 m, use RVV4 x 0.75 mm² cable. Connect cabl
e
terminals 1,2,3,4 of the indoor unit with cable terminals 1,2,3,4 of the outdoor
unit separately.
Terminals 5 and 6 are used to connect the electronic lock, connect the electronic
lock with cable RVV2X1,0 mm².
(NB: The outdoor unit relay is capable of controlling currents up to 1A/24V DC)
Wiring Instructions :
1.Green: Audio
2.Black:GND
3.Yellow:Video
4.Red:VCC
5.Lock+
6.Lock-
Security camera 1
Adapter
Adapter
Main monitor
Extending monitor
Max. 3
extension
monitors
Castle
Castle
Doors
Station 1
Doors
Station 2

Related product manuals