EasyManua.ls Logo

Evolveo AHD7 - Page 93

Evolveo AHD7
Print Icon
To Next Page IconTo Next Page
To Next Page IconTo Next Page
To Previous Page IconTo Previous Page
To Previous Page IconTo Previous Page
Loading...
93
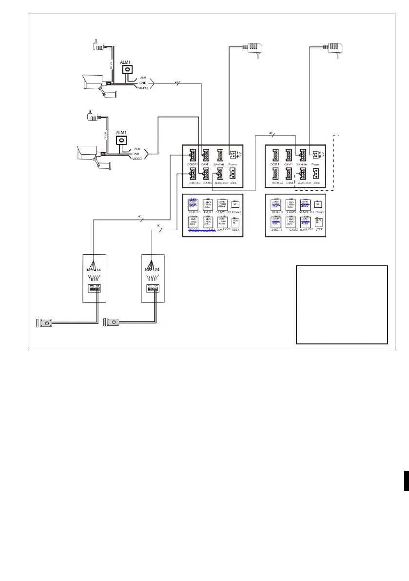
Megjegyzés: Ez a videofon képes vezérelni az elektromos ajtózárat NO, NC. Ehhez
azonban egy további tápegységet kell csatlakoztatni. Csak a mellékelt official
adaptert használja.
H
a a távolság 10 m, használja az RVV4x0,3 mm²-t. Ha a felhasználó a távolságot
10-30 m-re szeretné növelni, használja az RVV4 x 0,5 mm² kábelt. Ha a
felhasználó 30-50 m-re szeretné növelni a távolságot, használjon RVV4 x 0,75
mm² kábelt. A beltéri egység 1,2,3,4-es kábelcsatlakozóit külön-külön
csatlakoztassa a kültéri egység 1,2,3,4-es kábelcsatlakozóihoz.
Az 5. és 6. csatlakozók az elektronikus zár csatlakoztatására szolgálnak, az
elektronikus zárat RVV2X1,0 mm² kábellel kell csatlakoztatni.
(NB: A kültéri egység reléje legfeljebb 1A/24V DC áramot képes vezérelni)
Bekötési utasítások :
1.Zöld: Audio
2.Fekete:GND
3.Sárga:Video
4.Red: VCC
5.Lock+
6.Lock-
Biztonsági kamera 1
Adaptér
Adaptér
Fő monitor
Kiterjesztő monitor
Max. 3 bővítő
monitor
Kastély
Kastély
Ajtók
1. állomás
Ajtók
2. állomás

Related product manuals