EasyManua.ls Logo

Exerpeutic 5000 - Page 9

Exerpeutic 5000
37 pages
Print Icon
To Next Page IconTo Next Page
To Next Page IconTo Next Page
To Previous Page IconTo Previous Page
To Previous Page IconTo Previous Page
Loading...
7
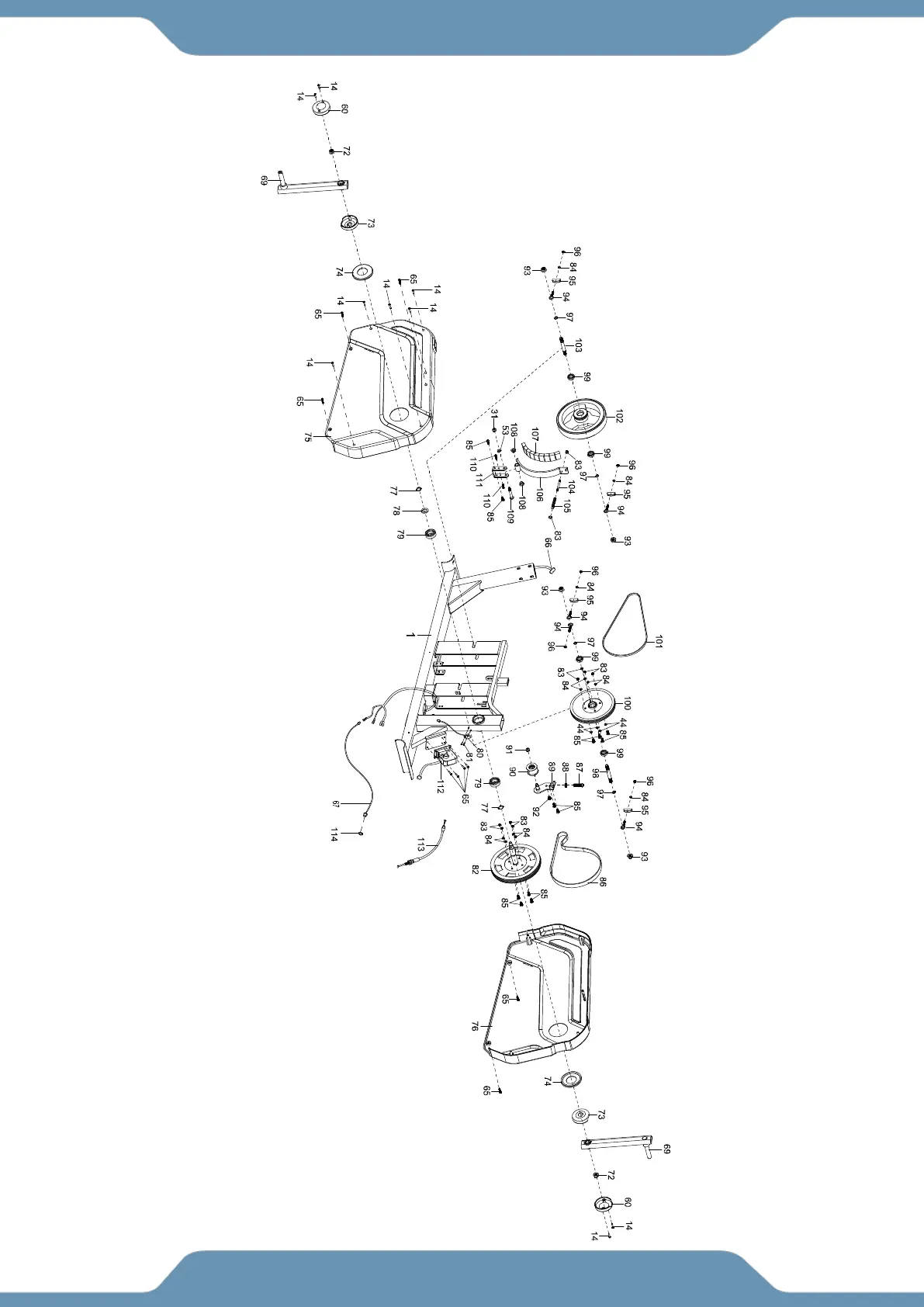
OVERVIEW DRAWING

Related product manuals