EasyManua.ls Logo

Exmark FMD604 - 9 Wiring Diagrams

Exmark FMD604
48 pages
Print Icon
To Next Page IconTo Next Page
To Next Page IconTo Next Page
To Previous Page IconTo Previous Page
To Previous Page IconTo Previous Page
Loading...
- 39 -
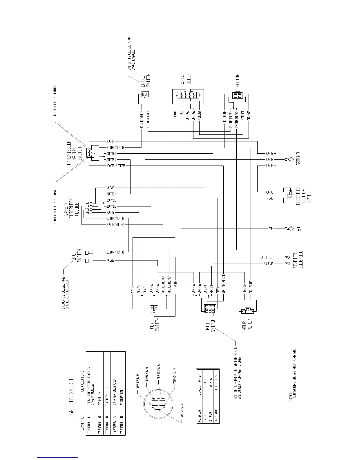
9. WIRING DIAGRAMS

Related product manuals