EasyManua.ls Logo

Exmark Pioneer E Series - Page 45

Exmark Pioneer E Series
52 pages
Print Icon
To Next Page IconTo Next Page
To Next Page IconTo Next Page
To Previous Page IconTo Previous Page
To Previous Page IconTo Previous Page
Loading...
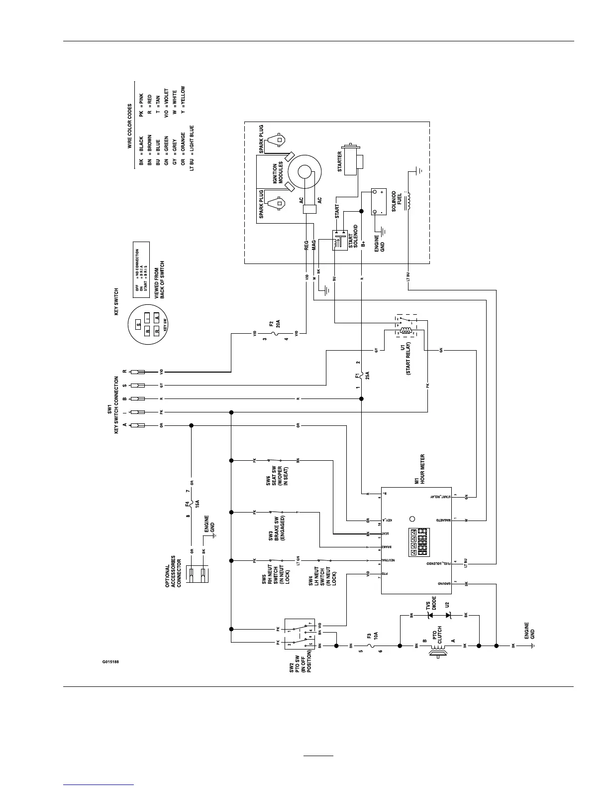
Schematics
ElectricalLogicSchematic
45

Table of Contents

Other manuals for Exmark Pioneer E Series

Related product manuals