EasyManua.ls Logo

Exmark Radius RAE708GEM44300 - Schematics

Exmark Radius RAE708GEM44300
84 pages
Print Icon
To Next Page IconTo Next Page
To Next Page IconTo Next Page
To Previous Page IconTo Previous Page
To Previous Page IconTo Previous Page
Loading...
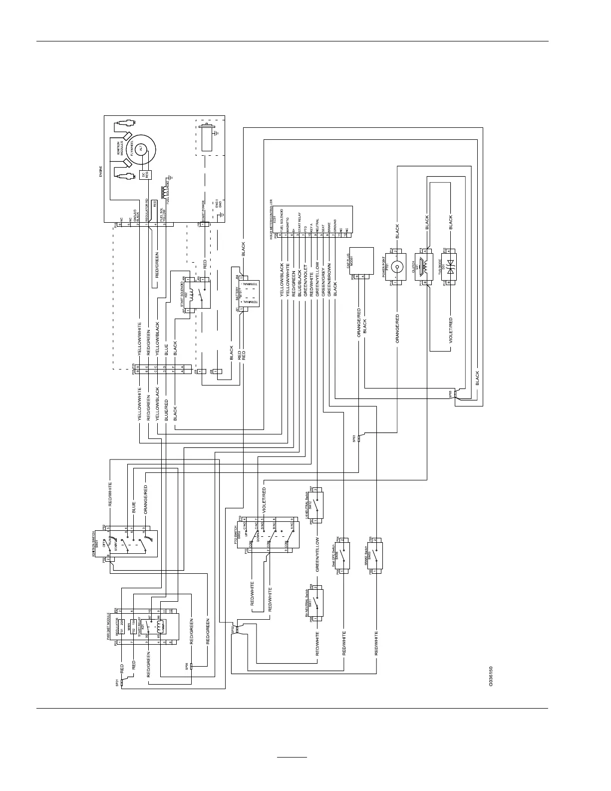
Schematics
Schematics
ElectricalLogicSchematicExmarkEngine
g036150
76

Table of Contents

Related product manuals