EasyManua.ls Logo

Faema E61 Legend - Electrical Schematics; Wiring Diagram Explanation

Faema E61 Legend
38 pages
Print Icon
To Next Page IconTo Next Page
To Next Page IconTo Next Page
To Previous Page IconTo Previous Page
To Previous Page IconTo Previous Page
Loading...
73
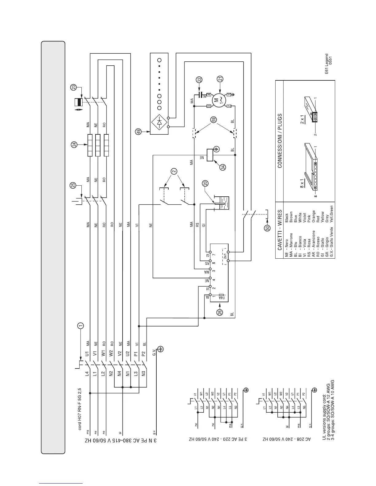
Schema elettrico - Wiring diagram - Schéma éléctrique - Elektrischer Shaltplan - - Esquema electrico - Esquema eléctrico

Other manuals for Faema E61 Legend

Related product manuals