EasyManua.ls Logo

Faema Enova - Page 38

Faema Enova
50 pages
Print Icon
To Next Page IconTo Next Page
To Next Page IconTo Next Page
To Previous Page IconTo Previous Page
To Previous Page IconTo Previous Page
Loading...
77
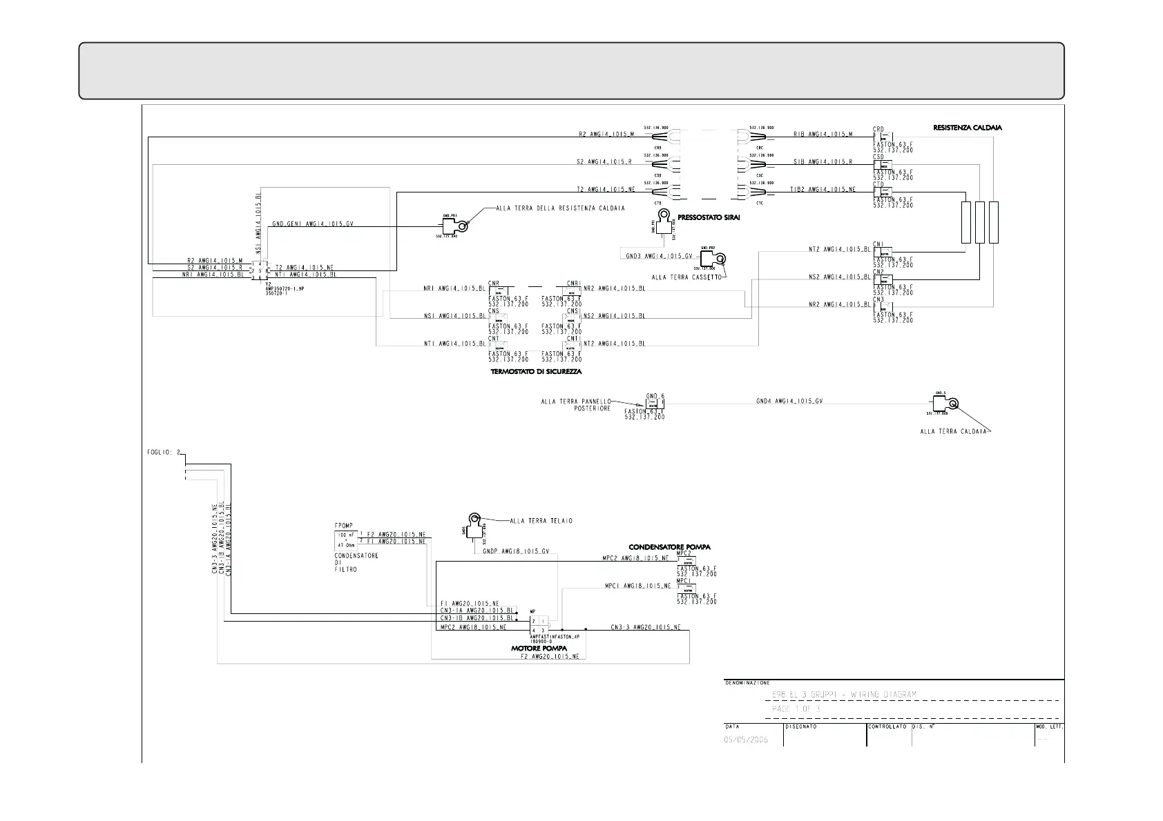
Schema elettrico - Wiring diagram - Schema electrique - Elektrischer Schaltplan - Esquema electrico - Esquéma electrico

Related product manuals