EasyManua.ls Logo

Faema Enova - Circuito Idraulico - Hydraulic Circuit - Circuit Hydraulique

Faema Enova
50 pages
Print Icon
To Next Page IconTo Next Page
To Next Page IconTo Next Page
To Previous Page IconTo Previous Page
To Previous Page IconTo Previous Page
Loading...
83
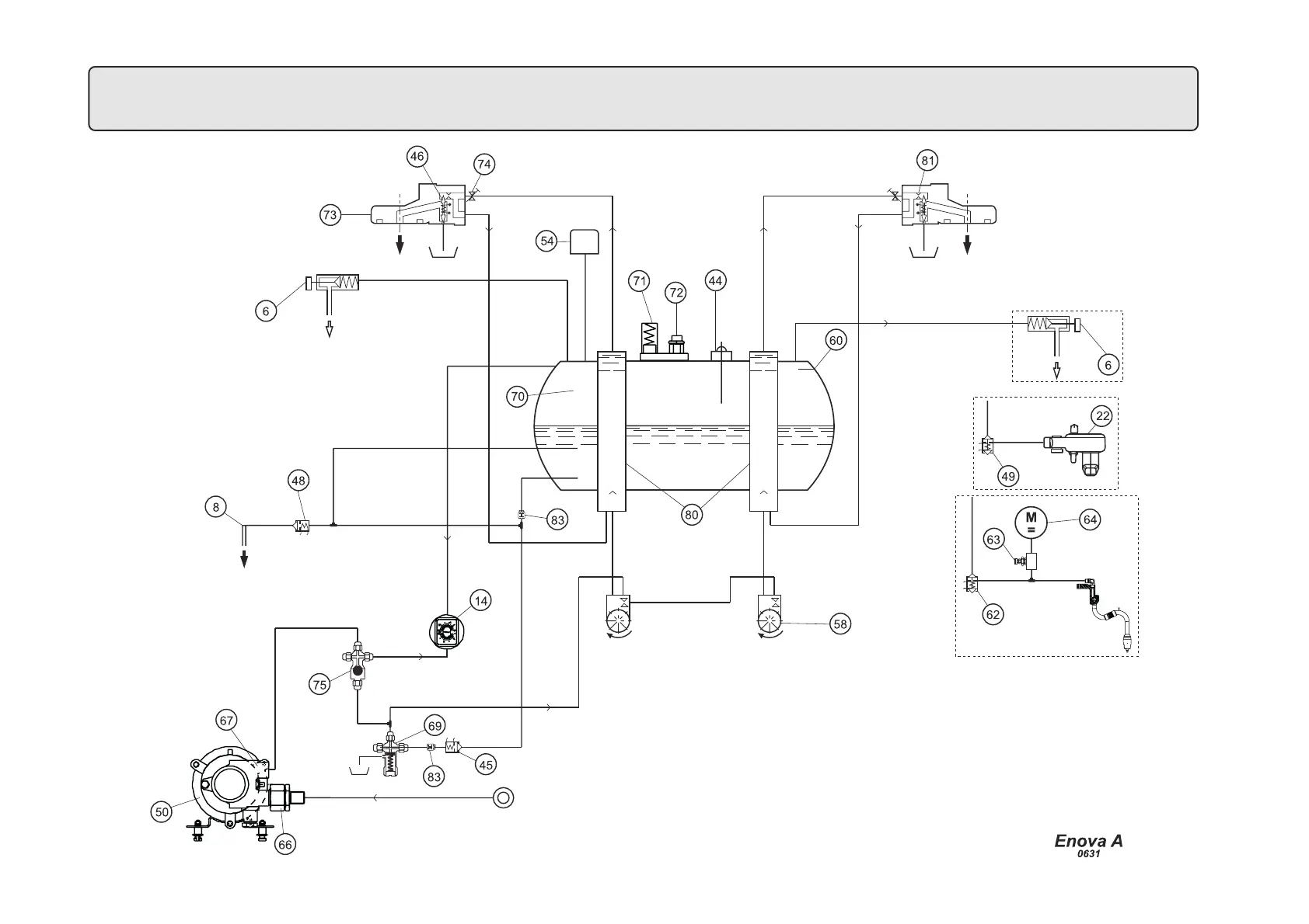
Circuito idraulico - Hydraulic circuit - Circuit hydraulique - Hydraulikplan - Circuito hidraulico - Circuito hidraulico

Related product manuals