EasyManua.ls Logo

Fairchild T5220 - Installation

Default Icon
8 pages
Print Icon
To Next Page IconTo Next Page
To Next Page IconTo Next Page
To Previous Page IconTo Previous Page
To Previous Page IconTo Previous Page
Loading...
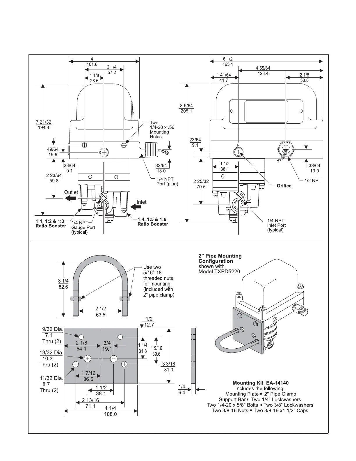
INSTALLATION
The Model TXPD5220 can be mounted directly onto a flat
4. “TXPD5220 Outline Dimensions” below.
Mounting Kit
surface using the four 1/4-20 x 7/16 tapped mounting holes
14140 is available for Panel or 2" Pipe Mounting. For
in the base of the housing . For more information, see Figure
more information, see Figure 5 below.
Figure 4. TXPD5220 Outline Dimensions.
Figure 5. Mounting Kit 14140. (Sold Separately)
3

Related product manuals