EasyManua.ls Logo

Falcon 90 - Blockdiagramm

Falcon 90
Print Icon
To Next Page IconTo Next Page
To Next Page IconTo Next Page
To Previous Page IconTo Previous Page
To Previous Page IconTo Previous Page
Loading...
Deutsch
19
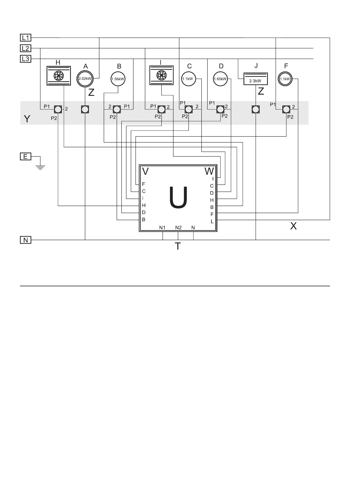
Blockdiagramm
Erklärung des Diagramms
A Kochfeld A
B Kochfeld B
C Kochfeld C
D Kochfeld D
E Erde
F Kochfeld F
H Gebläse hoher Backofen
I Gebläse Hauptbackofen
J Grill
L Stromführend
N Nullleiter
T Rückleiter
U Intelligenter Lastregler
V Schaltausgänge
W Schalteingänge
X Spannungsführender Leiter von Phase 1
Y Bedienelemente des Bedienfelds
Z Festlast

Related product manuals