EasyManua.ls Logo

Falcon 90 - Schéma Fonctionnel

Falcon 90
Print Icon
To Next Page IconTo Next Page
To Next Page IconTo Next Page
To Previous Page IconTo Previous Page
To Previous Page IconTo Previous Page
Loading...
Français
49
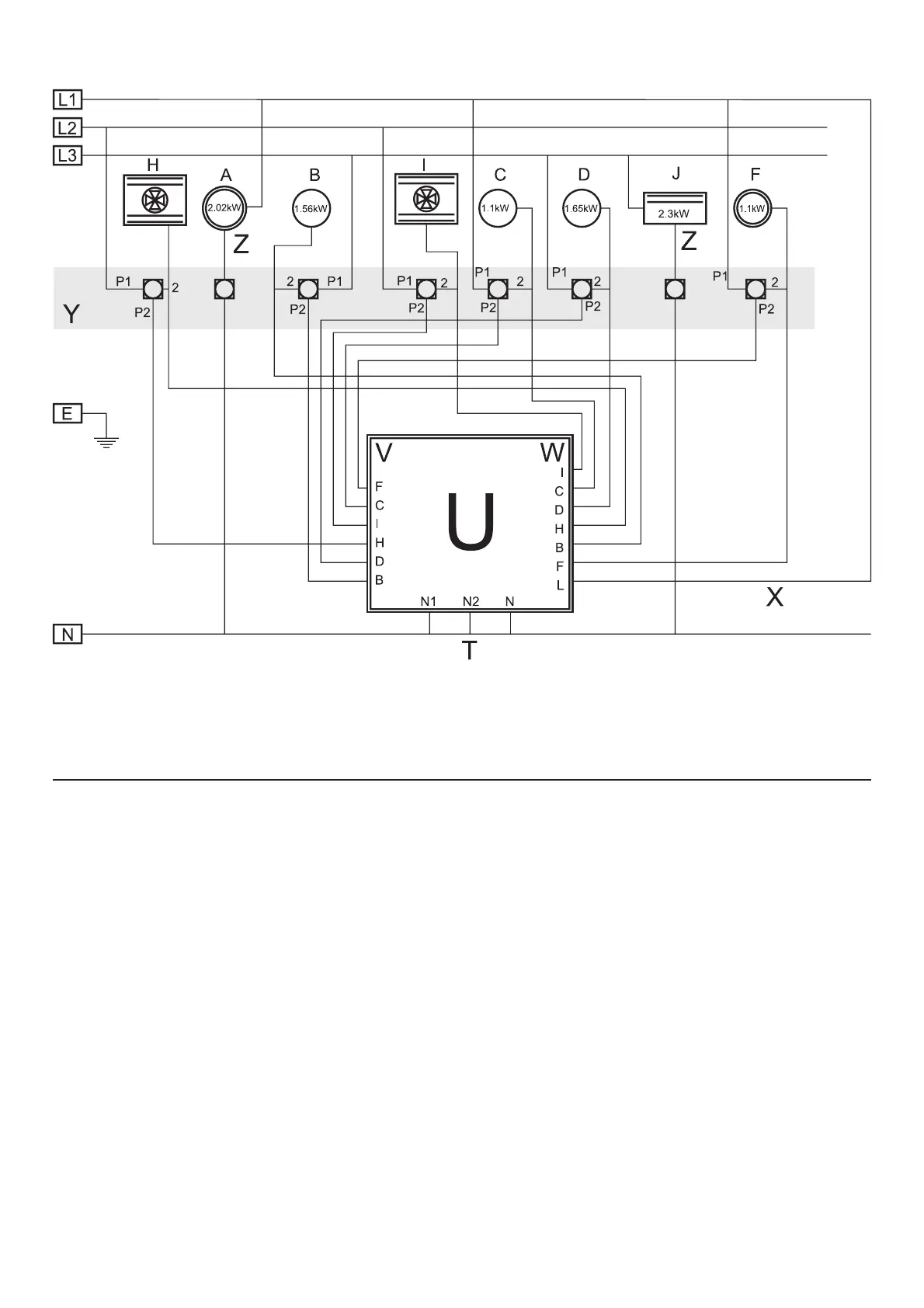
Schéma fonctionnel
Légende
A Table de cuisson A
B Table de cuisson B
C Table de cuisson C
D Table de cuisson D
E Terre
F Table de cuisson F
H Four haut ventilé
I Four principal ventilé
J Gril
L Tension
N Neutre
T Retour neutre
U Contrôleur de charge intelligent
V Sorties de commutation
W Entrées de commutation
X Alimentation sous tension de Phase 1
Y Commandes de panneau avant
Z Charge fixe

Related product manuals