EasyManua.ls Logo

Falcon 90 - Block Diagram

Falcon 90
Print Icon
To Next Page IconTo Next Page
To Next Page IconTo Next Page
To Previous Page IconTo Previous Page
To Previous Page IconTo Previous Page
Loading...
English
33
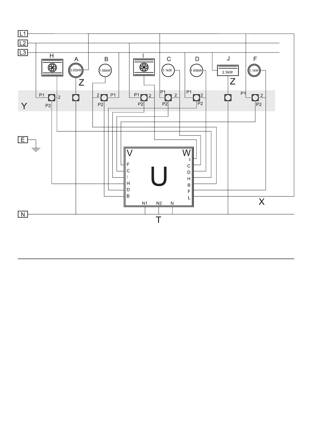
Block Diagram
Key to diagram
A Hob A
B Hob B
C Hob C
D Hob D
E Earth
F Hob F
H Tall Fan Oven
I MainFan Oven
J Grill
L Line
N Neutral
T Neutral return
U Intelligent Load Controller
V Switching Outputs
W Switching Inputs
X Live Feed From Phase 1
Y Front Panel Controls
Z Fixed Load

Related product manuals