EasyManua.ls Logo

Falcon E3830 - Page 6

Falcon E3830
10 pages
Print Icon
To Next Page IconTo Next Page
To Next Page IconTo Next Page
To Previous Page IconTo Previous Page
To Previous Page IconTo Previous Page
Loading...
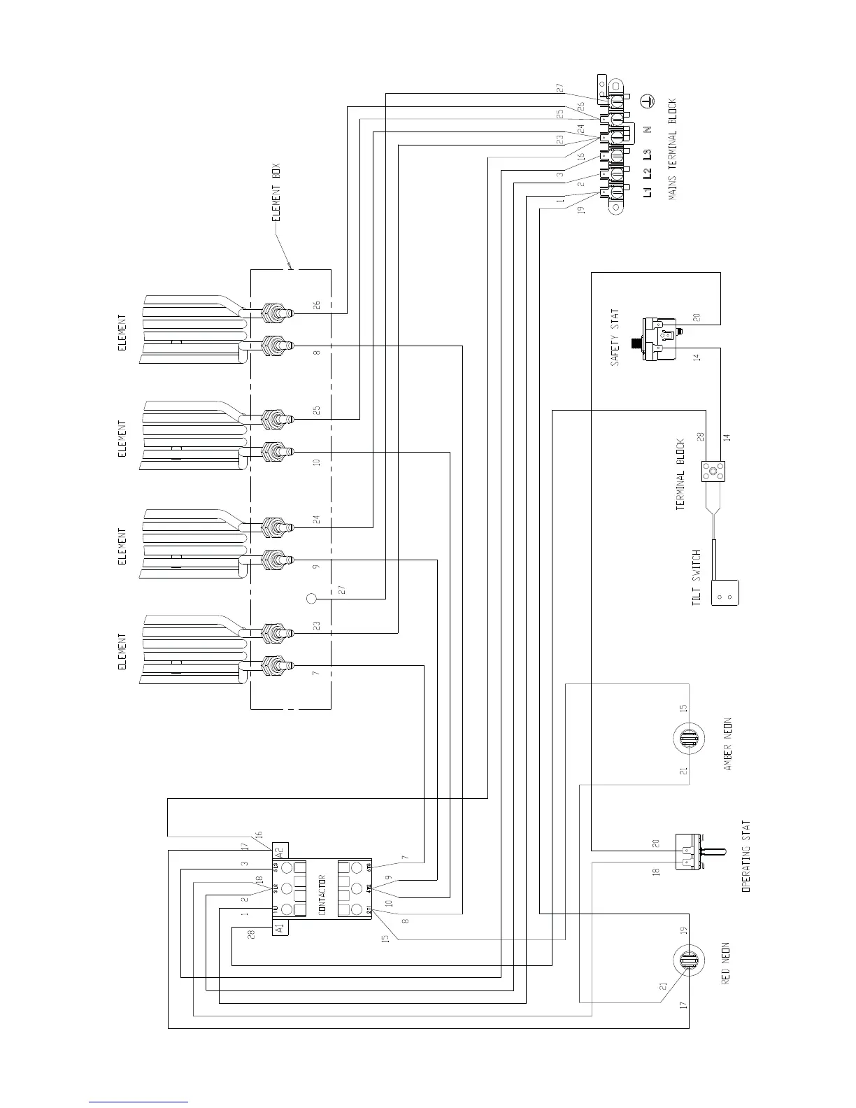
E3860 WIRING DIAGRAM
(4 Element Version)

Related product manuals