EasyManua.ls Logo

Falcon E3830 - Page 7

Falcon E3830
10 pages
Print Icon
To Next Page IconTo Next Page
To Next Page IconTo Next Page
To Previous Page IconTo Previous Page
To Previous Page IconTo Previous Page
Loading...
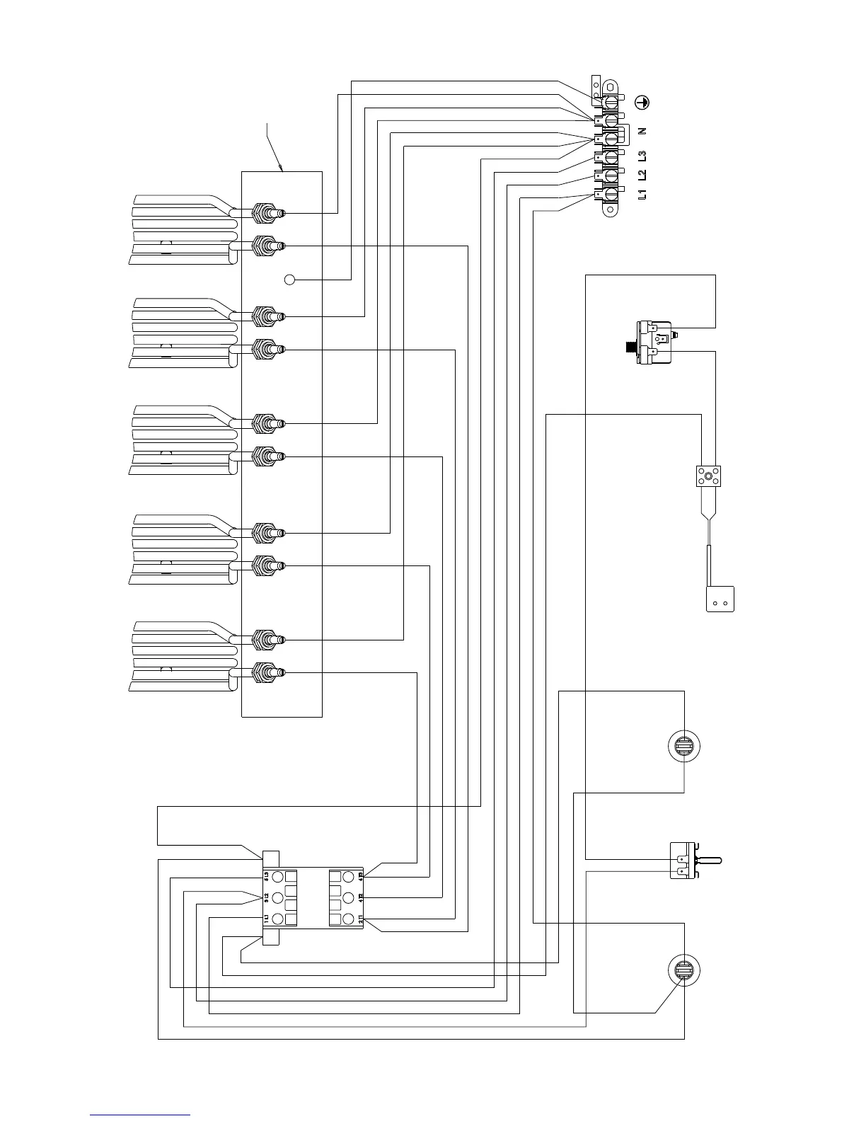
MAINS TERMINAL BLOCK
25
24
23
22 27
16
3
2
1
19
252423 2722
16
321
19
26
AMBER NEON
1521
RED NEON
17
21
OPERATING STAT
18 20
CONTACTOR
A1 A2
7
9
810
15
17
28
18
11
TERMINAL BLOCK
28
14
TILT SWITCH
SAFETY STAT
2014
ELEMENT
9
ELEMENT
8
ELEMENT
7
ELEMENT BOX
ELEMENT
10
ELEMENT
11 26
E3860 WIRING DIAGRAM
(5 Element Version)

Related product manuals