EasyManua.ls Logo

Falcon E421 - Page 15

Falcon E421
24 pages
Print Icon
To Next Page IconTo Next Page
To Next Page IconTo Next Page
To Previous Page IconTo Previous Page
To Previous Page IconTo Previous Page
Loading...
15
3
4
2
A1
A1
A2
A2
7
8
6
3
4
2
A1
A1
A2
A2
7
8
6
3
2
1
3
2
1
240V
240V
0V
0V
0V
0V
24V
24V
MAINS TERMINAL BLOCK
MAINS TERMINAL BLOCK
CHASSIS LEG
CHASSIS LEG
43
43
CONTROL PANEL
CONTROL PANEL
GREEN/YELLOW
GREEN/YELLOW
BLUE
BLUE
GREY
GREY
BLACK
BLACK
BROWN
BROWN
5 CORE MAINS INLET CABLE
5 CORE MAINS INLET CABLE
1
1 2
2
3
3
4
4
5
5
6
6
7
7
8
8
9
9
10
10
10
10
11
11
11
11
12
12
12
12
13
13
13
13
14
14
14
14
15
15
15
15
16
16
16
16
17
17
17
17
18
18
18
18
22
22
33
33
22
22
31
31
38
38
32
32
32
32
37
37
37
37
39
39
39
39
40
40
40
40
42
42
42
42
43
43
46
46
47
47
48
48
53
53
53
53
70
70
70
70
71
71
71
71
72
72
44
44
73
73
74
74
74
74
21
21
45
45
ON/OFF SWITCHES
ON/OFF SWITCHES
PROBE
PROBE
TO CONTROL PANEL
TO CONTROL PANEL
WIRING LOOM
WIRING LOOM
(BW49271)
(BW49271)
92
92
91
91
90
90
104
104
103
103
102
102
21
21
NEUTRAL TERMINALS
NEUTRAL TERMINALS
29
29
23
23
26
26
2A A/S FUSE
2A A/S FUSE
30
30
33
33
27
27
9 WAY MALE
9 WAY MALE
PLUG HOUSING
PLUG HOUSING
(MATE WITH
(MATE WITH
CONTROL PANEL)
CONTROL PANEL)
789
456
3 2
1
63
63
67
67
26
26
789
456
3 2 1
9 WAY MALE
9 WAY MALE
PLUG HOUSING
PLUG HOUSING
(MATE WITH
(MATE WITH
CONTROL PANEL)
CONTROL PANEL)
29
29
60
60
66
66
47
47
45
45
SAFETY STAT
SAFETY STAT
SAFETY
SAFETY
CONTACTOR
CONTACTOR
A2
A2
A1
A1
TRANSFORMER
TRANSFORMER
64
64
65
65
60
60
63
63
62
62
61
61
65
65
68
68
68
68
23
23
20
20
20
20
44
44
24
24
64
64
72
72
61
61
66
66
TO CONTROL PANEL
TO CONTROL PANEL
SEE BW49271
SEE BW49271
2A A/S FUSE
2A A/S FUSE
SAFETY
SAFETY
CONTACTOR
CONTACTOR
A1
A1
A2
A2
75
75
38
38
62
62
67
67
73
73
75
75
30
30
OPERATING POWER
OPERATING POWER
SWITCH
SWITCH
OPERATING POWER
OPERATING POWER
SWITCH
SWITCH
31
31
46
46
24
24
27
27
2A A/S FUSE
2A A/S FUSE
48
48
SAFETY STAT
SAFETY STAT
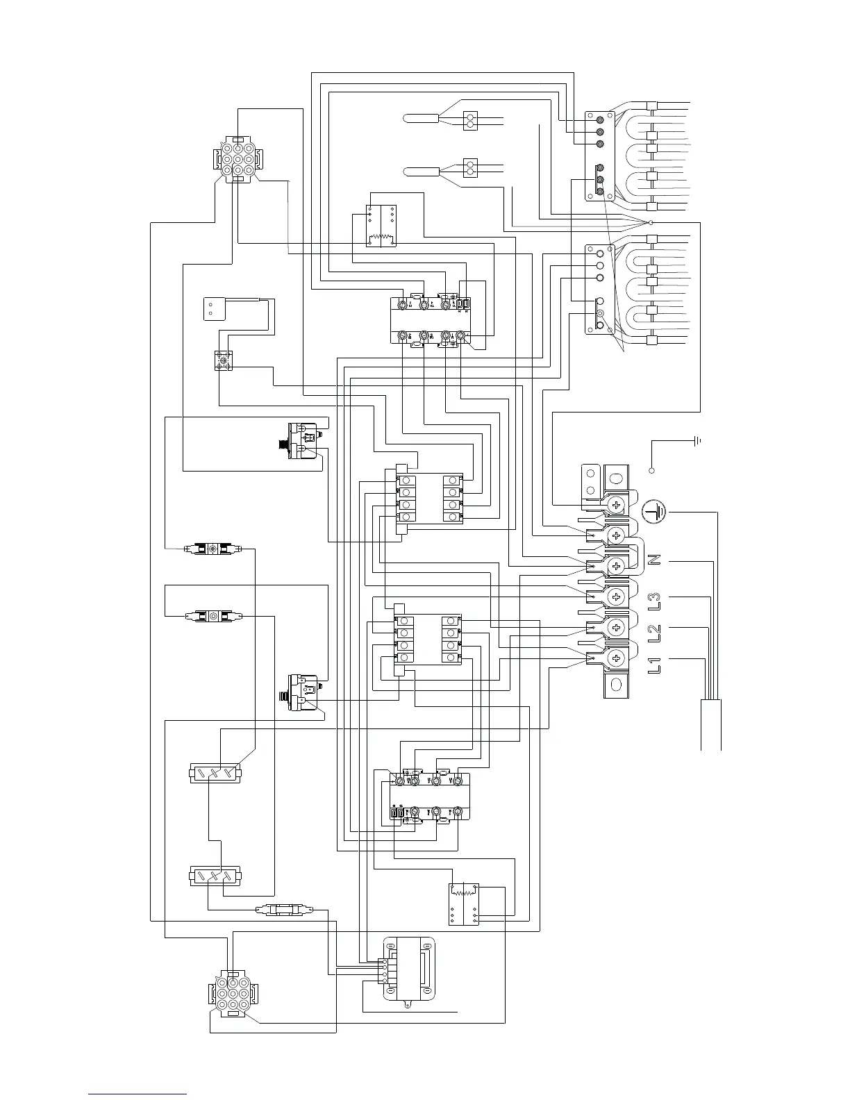
WIRING DIAGRAM for E422

Related product manuals