EasyManua.ls Logo

Falcon E421 - Page 16

Falcon E421
24 pages
Print Icon
To Next Page IconTo Next Page
To Next Page IconTo Next Page
To Previous Page IconTo Previous Page
To Previous Page IconTo Previous Page
Loading...
16
16
56
56
54
54
18
18
A2
A2
36
36
A1
A1
15
15
B1
B1
0.8
0.8
10
10
F
55
55
24V ~
24V ~
110-240V~
110-240V~
3
2
1
3
2
1
MAINS TERMINAL BLOCK
MAINS TERMINAL BLOCK
CHASSIS LEG
CHASSIS LEG
43
43
CONTROL PANEL
CONTROL PANEL
GREEN/YELLOW
GREEN/YELLOW
BLUE
BLUE
GREY
GREY
BLACK
BLACK
BROWN
BROWN
5 CORE MAINS INLET CABLE
5 CORE MAINS INLET CABLE
1
1 2
2
3
3
4
4
5
5
6
6
7
7
8
8
9
9
10
10
10
10
11
11
11
11
12
12
12
12
13
13
13
13
14
14
14
14
15
15
15
15
16
16
16
16
17
17
17
17
18
18
18
18
22
22
33
33
22
22
21
21
25
25
31
31
32
32
32
32
44
44
35
35
56
56
37
37
37
37
39
39
39
39
40
40
40
40
41
41
42
42
43
43
46
46
47
47
48
48
53
53
53
53
29
29
54
54
230V PUMP TIMER
230V PUMP TIMER
DETAIL OF 230V TIMER
DETAIL OF 230V TIMER
SET DIP SWITCH TO 240V
SET DIP SWITCH TO 240V
19
19
19
19
34
34
23
23
20
20
20
20
44
44
24
24
57
57
58
58
46
46
PROBE
PROBE
TO CONTROL PANEL
TO CONTROL PANEL
WIRING LOOM
WIRING LOOM
(BW49183)
(BW49183)
92
92
91
91
90
90
104
104
103
103
102
102
ON/OFF SWITCHES
ON/OFF SWITCHES
28
28
25
25
5A A/S FUSE
5A A/S FUSE
23
23
26
26
2A A/S FUSE
2A A/S FUSE
45
45
28
28
36
36
B
B
B
A
A
4
5
6
3
2
A
PUMP SWITCH
PUMP SWITCH
1
30
30
33
33
27
27
9 WAY MALE PLUG HOUSING
9 WAY MALE PLUG HOUSING
(MATE WITH CONTROL PANEL)
(MATE WITH CONTROL PANEL)
789
456
3 2
1
59
59
60
60
60
60
59
59
26
26
789
456
3 2 1
9 WAY MALE
9 WAY MALE
PLUG HOUSING
PLUG HOUSING
(MATE WITH
(MATE WITH
CONTROL PANEL)
CONTROL PANEL)
29
29
57
57
58
58
47
47
45
45
SAFETY STAT
SAFETY STAT
21
21
NEUTRAL
NEUTRAL
TERMINALS
TERMINALS
42
42
SAFETY
SAFETY
CONTACTOR
CONTACTOR
A2
A2
A1
A1
SAFETY
SAFETY
CONTACTOR
CONTACTOR
A1
A1
A2
A2
38
38
OPERATING POWER
OPERATING POWER
SWITCH
SWITCH
OPERATING POWER
OPERATING POWER
SWITCH
SWITCH
30
30
TILT SWITCH
TILT SWITCH
31
31
38
38
24
24
27
27
2A A/S FUSE
2A A/S FUSE
48
48
SAFETY STAT
SAFETY STAT
34
34
RED NEON
RED NEON
RV101
RV101
41
41
35
35
9 WAY MALE PLUG HOUSING
9 WAY MALE PLUG HOUSING
(MATE WITH PUMP LOOM)
(MATE WITH PUMP LOOM)
789
456
3 2
1
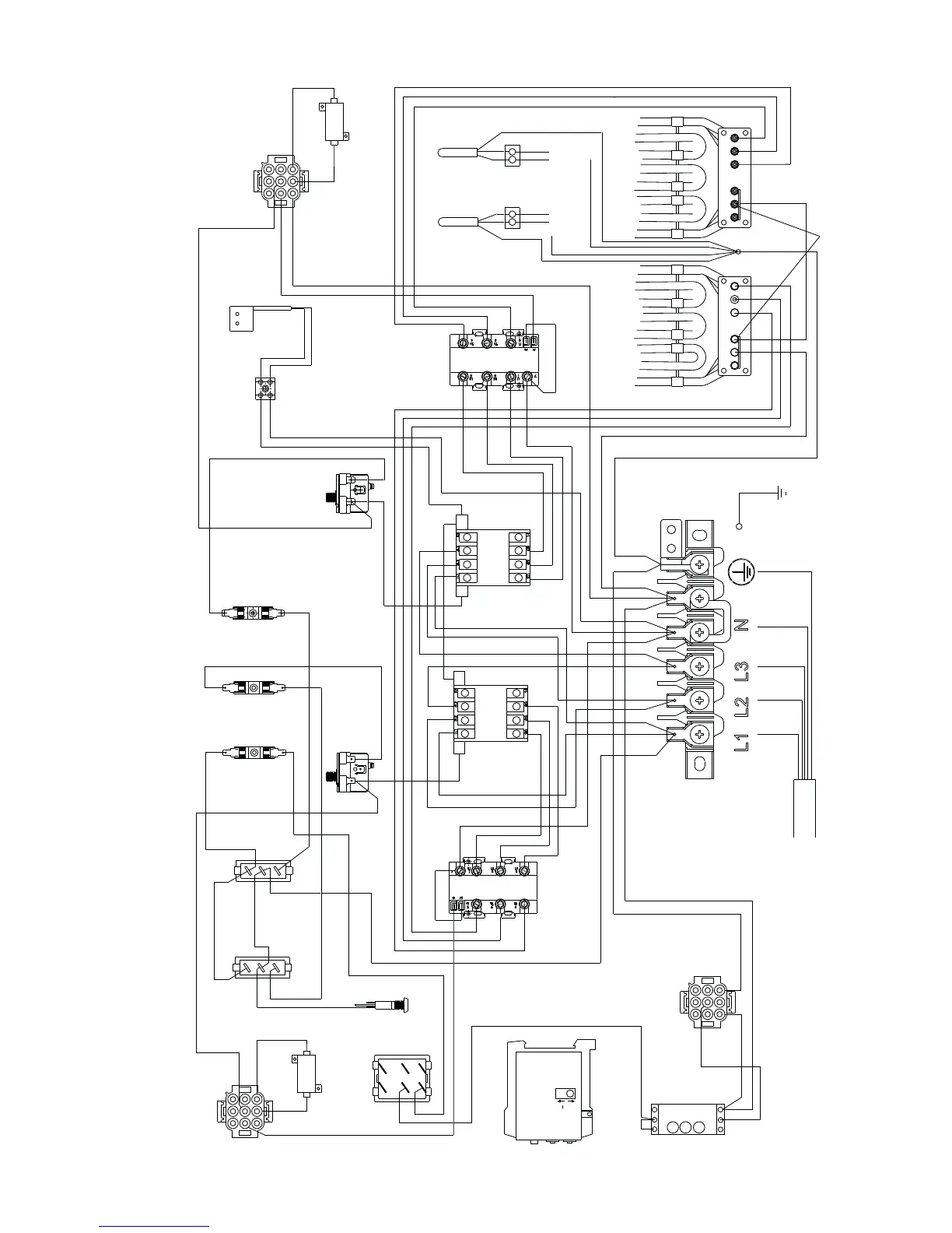
WIRING DIAGRAM for E421F
16

Related product manuals