EasyManua.ls Logo

Falcon E421 - Page 17

Falcon E421
24 pages
Print Icon
To Next Page IconTo Next Page
To Next Page IconTo Next Page
To Previous Page IconTo Previous Page
To Previous Page IconTo Previous Page
Loading...
230V PUMP TIMER
230V PUMP TIMER
16
16
56
56
54
54
18
18
A2
A2
36
36
35
35
A1
A1
15
15
B1
B1
0.8
0.8
10
10
Wu
Wu
55
55
3
4
2
A1
A1
A2
A2
7
8
6
3
4
2
A1
A1
A2
A2
7
8
6
24V ~
24V ~
110-240V~
110-240V~
3
2
1
3
2
1
240V
240V
0V
0V
0V
0V
24V
24V
MAINS TERMINAL
MAINS TERMINAL
BLOCK
BLOCK
CHASSIS LEG
CHASSIS LEG
43
43
CONTROL PANEL
CONTROL PANEL
GREEN/YELLOW
GREEN/YELLOW
BLUE
BLUE
GREY
GREY
BLACK
BLACK
BROWN
BROWN
5 CORE MAINS INLET CABLE
5 CORE MAINS INLET CABLE
1
1 2
2
3
3
4
4
5
5
6
6
7
7
8
8
9
9
10
10
10
10
11
11
11
11
12
12
12
12
13
13
13
13
14
14
14
14
15
15
15
15
16
16
17
17
17
17
18
18
18
18
22
22
33
33
21
21
25
25
29
29
30
30
31
31
32
32
32
32
35
35
56
56
37
37
37
37
39
39
39
39
40
40
40
40
41
41
42
42
42
42
43
43
44
44
46
46
47
47
48
48
53
53
53
53
70
70
70
70
71
71
71
71
72
72
72
72
73
73
73
73
74
74
74
74
75
75
DETAIL OF 230V PUMP TIMER
DETAIL OF 230V PUMP TIMER
SET DIP SWITCH TO 240V
SET DIP SWITCH TO 240V
44
44
19
19
19
19
20
20
20
20
24
24
23
23
102
102
103
103
104
104
90
90
91
91
92
92
TO CONTROL PANEL
TO CONTROL PANEL
WIRING LOOM
WIRING LOOM
(BW49271)
(BW49271)
PROBE
PROBE
ON OFF SWITCHES
ON OFF SWITCHES
61
61
TRANSFORMER
TRANSFORMER
22
22
16
16
28
28
25
25
5A A/S FUSE
5A A/S FUSE
2A A/S FUSE
2A A/S FUSE
23
23
26
26
2A A/S FUSE
2A A/S FUSE
28
28
36
36
B
B
B
A
A
4
5
6
3
2
A
PUMP SWITCH
PUMP SWITCH
1
64
64
60
60
65
65
63
63
62
62
68
68
TO CONTROL PANEL
TO CONTROL PANEL
SEE BW49271
SEE BW49271
64
64
65
65
68
68
30
30
33
33
27
27
9 WAY MALE PLUG HOUSING
9 WAY MALE PLUG HOUSING
(MATE WITH CONTROL PANEL)
(MATE WITH CONTROL PANEL)
789
456
3 2
1
67
67
63
63
26
26
789
456
3 2 1
9 WAY MALEPLUG HOUSING
9 WAY MALEPLUG HOUSING
(MATE WITH CONTROL PANEL)
(MATE WITH CONTROL PANEL)
29
29
66
66
60
60
47
47
45
45
SAFETY STAT
SAFETY STAT
NEUTRAL
NEUTRAL
TERMINALS
TERMINALS
21
21
SAFETY
SAFETY
CONTACTOR
CONTACTOR
A2
A2
A1
A1
66
66
61
61
SAFETY
SAFETY
CONTACTOR
CONTACTOR
A1
A1
A2
A2
75
75
38
38
62
62
67
67
OPERATING POWER
OPERATING POWER
SWITCH
SWITCH
OPERATING POWER
OPERATING POWER
SWITCH
SWITCH
31
31
45
45
38
38
24
24
27
27
2A A/S FUSE
2A A/S FUSE
46
46
48
48
SAFETY STAT
SAFETY STAT
41
41
9 WAY MALE PLUG HOUSING
9 WAY MALE PLUG HOUSING
(MATE WITH PUMP LOOM)
(MATE WITH PUMP LOOM)
789
456
3 2
1
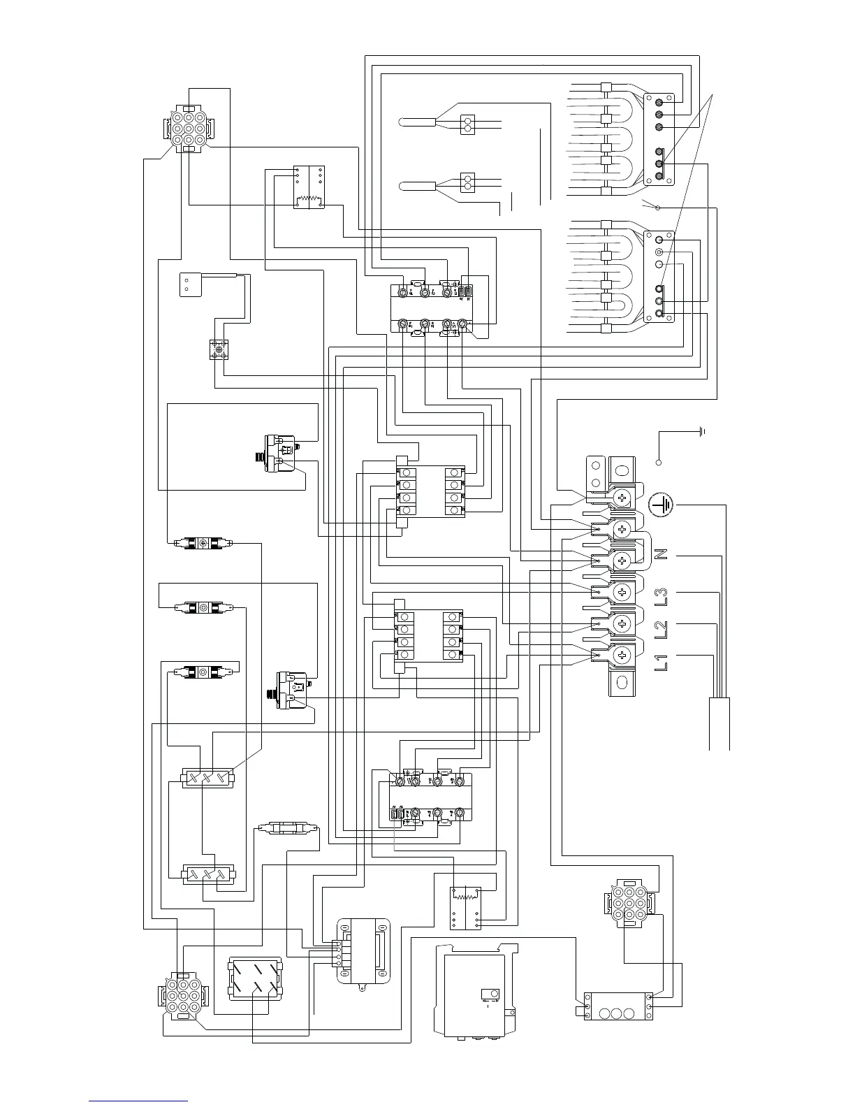
WIRING DIAGRAM for E422F
17

Related product manuals