EasyManua.ls Logo

Falcon E421 - Page 18

Falcon E421
24 pages
Print Icon
To Next Page IconTo Next Page
To Next Page IconTo Next Page
To Previous Page IconTo Previous Page
To Previous Page IconTo Previous Page
Loading...
18
RIGHT AMBER
RV100
RED NEON
RV101
FIT TO TERMINAL BLOCK CONNECTOR
IN ELEMENT BOX
FIT TO ELEMENT BOX
102 103
104
91
92
90
RELAY
T6 T10 T9 T11
T8 COM
T7
T2
T3
T12 T5
PROBE
T4 T1
G5 FASTRON CONTROLLER
95 98
85
84
93
96
91 92
SEE DRAWING BW49577
86
87
88
90
FIT TO ELEMENT BOX
9 WAY FEMALE
PLUG HOUSING
123
456
789
96
95
110
LEFT AMBER
RV100
107
87
FIT TO TERMINAL BLOCK CONNECTOR
IN ELEMENT BOX
9 WAY FEMALE
PLUG HOUSING
987
654
321
9981
81
100
100
88
108
104
RELAY
T6 T10 T9 T11
T8 COM
T7
T2
T3
T12 T5
PROBE
T4 T1
G5 FASTRON CONTROLLER
102 103
97
105
101
85 106
93
107
106
83
82
82
99
97109
108
84
83
34
34
TO L1(TERMINAL BLOCK)
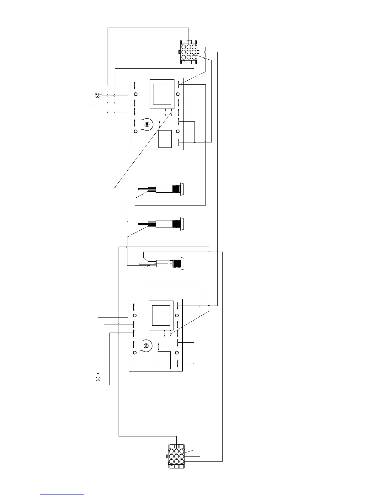
E421/421F Control Panel Wiring Diagram

Related product manuals