EasyManua.ls Logo

Falcon E421 - Page 22

Falcon E421
24 pages
Print Icon
To Next Page IconTo Next Page
To Next Page IconTo Next Page
To Previous Page IconTo Previous Page
To Previous Page IconTo Previous Page
Loading...
22
100
72
74
73
70
62
61
65
60 66
63 67
83
61
67
66
68
2A FUSE
N
E
43
TO ELEMENT
BOX
L1
L2
L3
TO CONTROL
PANEL
42
SAFETY
CONTACTOR
A1
A2
SAFETY
STAT
CTT
CONTROLLER
A2
A1
OPERATING
POWER
SWITCH
2A FUSE
2A FUSE
ON/OFF
SWITCH 1
THERMISTOR
PROBE
13 15 17
22 37
53
7911
531
45 46 2 4 6
48
47
32
31
14 16 18
40
39
8
10
12
20
24
23
71
96 93
91
92
33
27 100
26
95
82 101 99
102
103
C5
C5
CTT
CONTROLLER
44
ON/OFF
SWITCH 2
104
90
20
45
46
38
21
TILT
SWITCH
71
30
29
4
7
AB
B
A
7
4
72
73
74
75
3029 70
62
24V
TRANSFORMER
9
64
64
3
63
60
65
436
THERMISTOR
PROBE
75
26
27
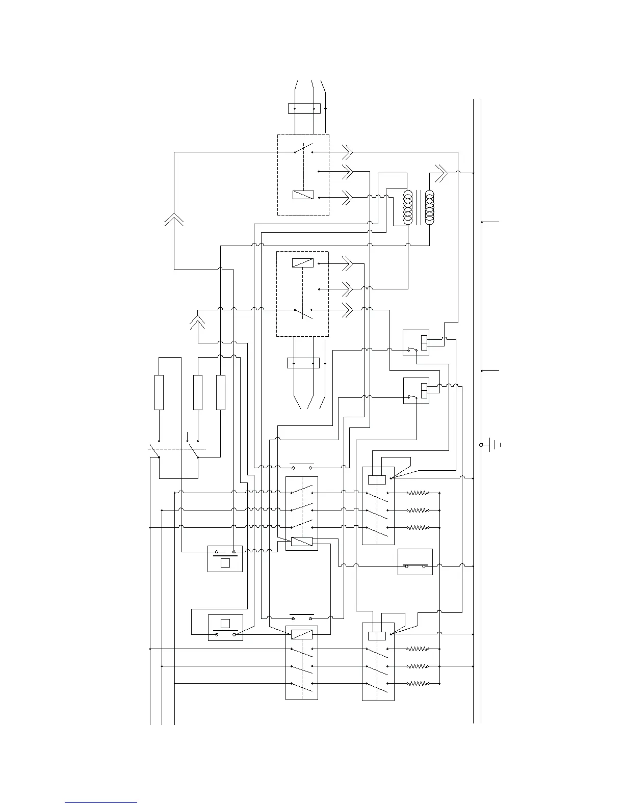
CIRCUIT DIAGRAM for E422

Related product manuals