EasyManua.ls Logo

Falcon E421 - Page 23

Falcon E421
24 pages
Print Icon
To Next Page IconTo Next Page
To Next Page IconTo Next Page
To Previous Page IconTo Previous Page
To Previous Page IconTo Previous Page
Loading...
23
63 4
65
60
63
3
46
64
9
24V
TRANSFORMER
62
7029 30
75
74
73
72
4
7
A
B
BA
7
4
29
30
71
M
FILTRATION
PUMP
41
C7
GR/YL
TILT
SWITCH
21
38
46
45
20
90
104
ON/OFF
SWITCH 2
44
CTT
CONTROLLER
C5
C5
103
102
9910182
95
26
100
27
33
92
91
9396
71
23
24
20
12
10
8
39
40
181614
31
32
47
48
642
4645
135
1197
53
3722
171513
THERMISTOR
PROBE
THERMISTOR
PROBE
ON/OFF
SWITCH 1
2A FUSE
2A FUSE
OPERATING
POWER
SWITCH
A1
A2
CTT
CONTROLLER
SAFETY
STAT
A2
A1
SAFETY
CONTACTOR
42
TO CONTROL
PAN EL
L3
L2
L1
TO ELEMENT
BOX
43
E
N
BLUE
BROWN
PUMP SWITCH
55
36
56
16
1815
A1 A2
TIMER
25
5A FUSE
28
C9
5435
35
19
19
2A FUSE
68
66 67
61
83
67
63
6660
65
61
62
70
73
74
72
100
26
27
48
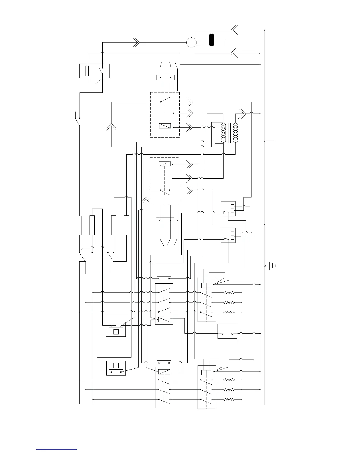
CIRCUIT DIAGRAM for E422F

Related product manuals