EasyManua.ls Logo

Falcon G402F - Page 22

Falcon G402F
23 pages
Print Icon
To Next Page IconTo Next Page
To Next Page IconTo Next Page
To Previous Page IconTo Previous Page
To Previous Page IconTo Previous Page
Loading...
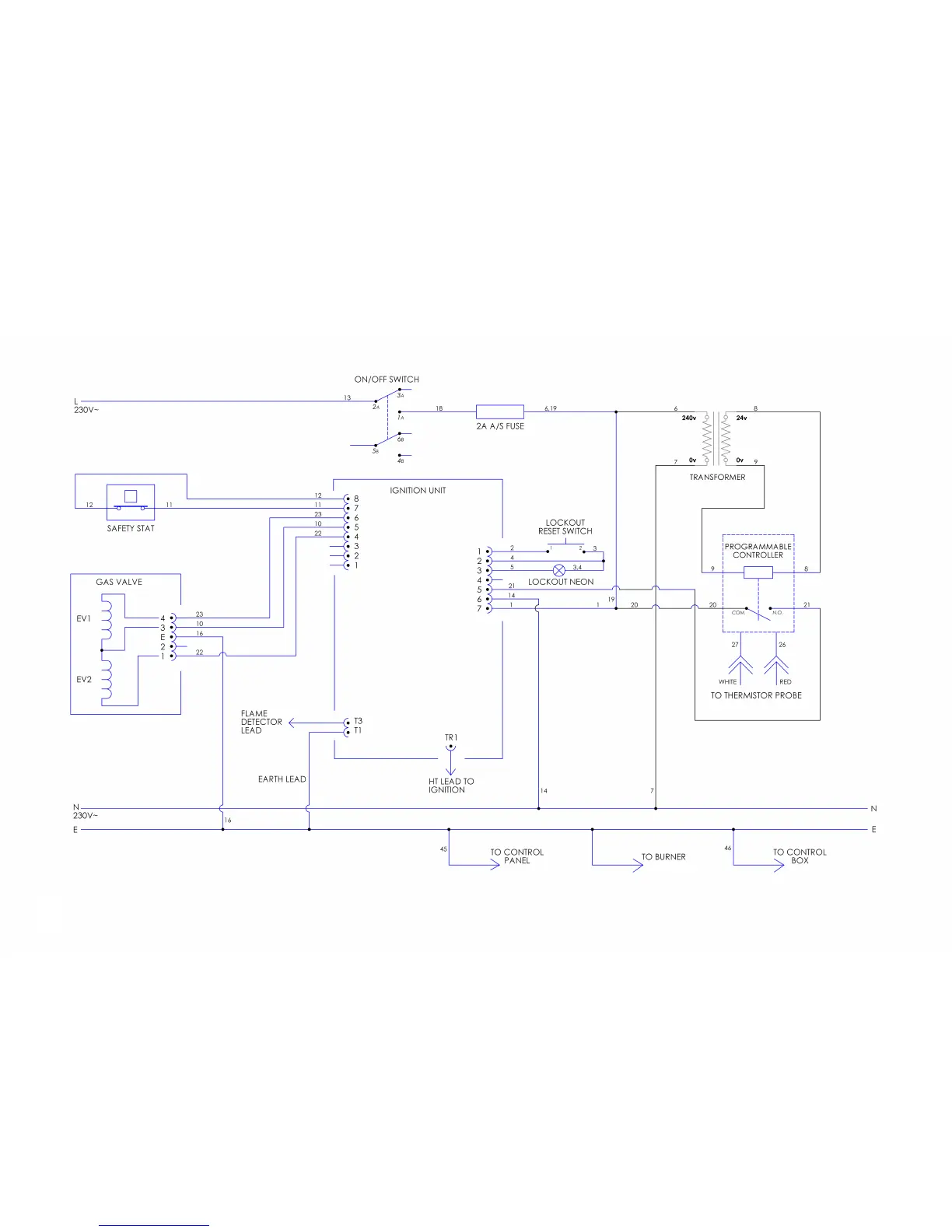
SECTION 11 – CIRCUIT DIAGRAM for G402
22

Related product manuals