EasyManua.ls Logo

Fantech 250H-EC - Page 27

Fantech 250H-EC
32 pages
Print Icon
To Next Page IconTo Next Page
To Next Page IconTo Next Page
To Previous Page IconTo Previous Page
To Previous Page IconTo Previous Page
Loading...
27
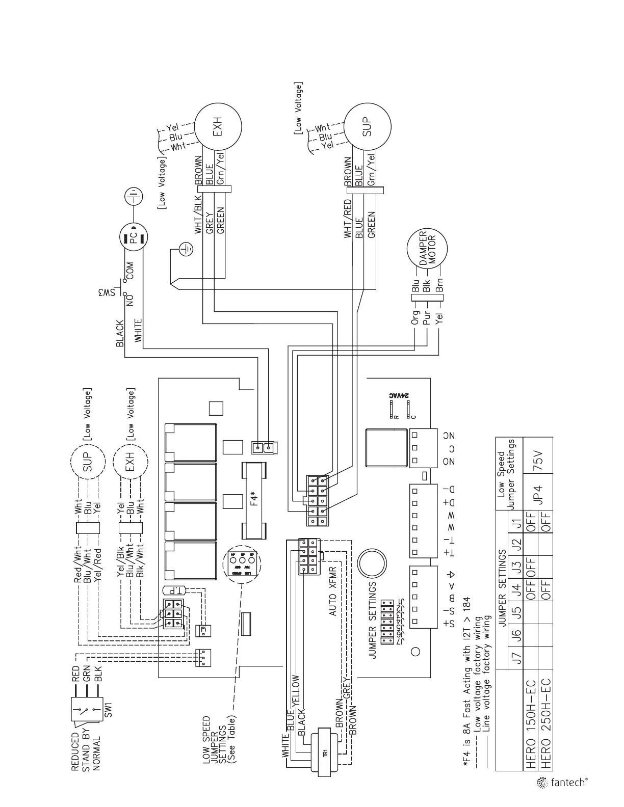
SCHÉMA DE CÂBLAGE - HERO 150H-EC, 250H-EC (SUITE)
Model
ON
ON
ON
ON ON
ONON
ON ON

Related product manuals