EasyManua.ls Logo

Fantech VHR 2004 - Page 25

Fantech VHR 2004
28 pages
Print Icon
To Next Page IconTo Next Page
To Next Page IconTo Next Page
To Previous Page IconTo Previous Page
To Previous Page IconTo Previous Page
Loading...
17
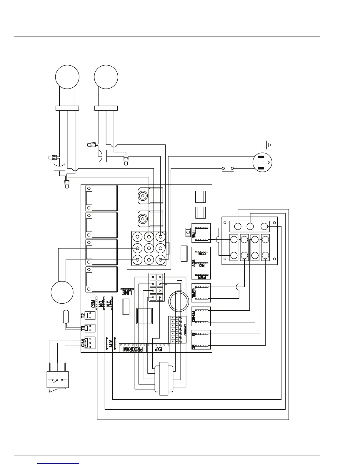
ELECTRICAL CONNECTIONS (CONT'D)
OFF
J2
WHITE
BLACK
WHT/YELLOW
ORANGE
YELLOW
WHT/GREEN
GREEN
BLUE
WHT/BLUE
+
CUR SW
COMIN
-
-+
DEHUM
N.C.
N.O.
-+
EDF
TIMER
RED
FURNACE
INTERLOCK
COM
PC
SW3
COM NO
ON
J7
J5
J6
J4
J3
ON
OFF
ON
ON
ORANGE
ORANGE
GREEN
STAND BY
MED
BROWN
BROWN
GREY
TR1
RED
YELLOW
BLACK
WHITE
BLUE
SW1
BLACK
T.P
DAMPER
MOTOR
LOW
RED
BROWN
RED/WHT
RED
BLACK
WHITE
BLACK RED
CAP1
JUMPER SETTINGS
J1
ON
SUP
EXH
BLK/WHT
BLACK
GREY
BROWN
BLACK
BLUE
BLUE
RED
BLACK
BLUE
CAP2

Other manuals for Fantech VHR 2004

Related product manuals