EasyManua.ls Logo

Fantech VHR 704 - Electrical Connections - Furnace Interfacing; Connecting to Furnace Blower Control; Furnace Control Contact Wiring Diagrams

Fantech VHR 704
28 pages
Print Icon
To Next Page IconTo Next Page
To Next Page IconTo Next Page
To Previous Page IconTo Previous Page
To Previous Page IconTo Previous Page
Loading...
18
W
R
G
C
Y
W
R G
Y
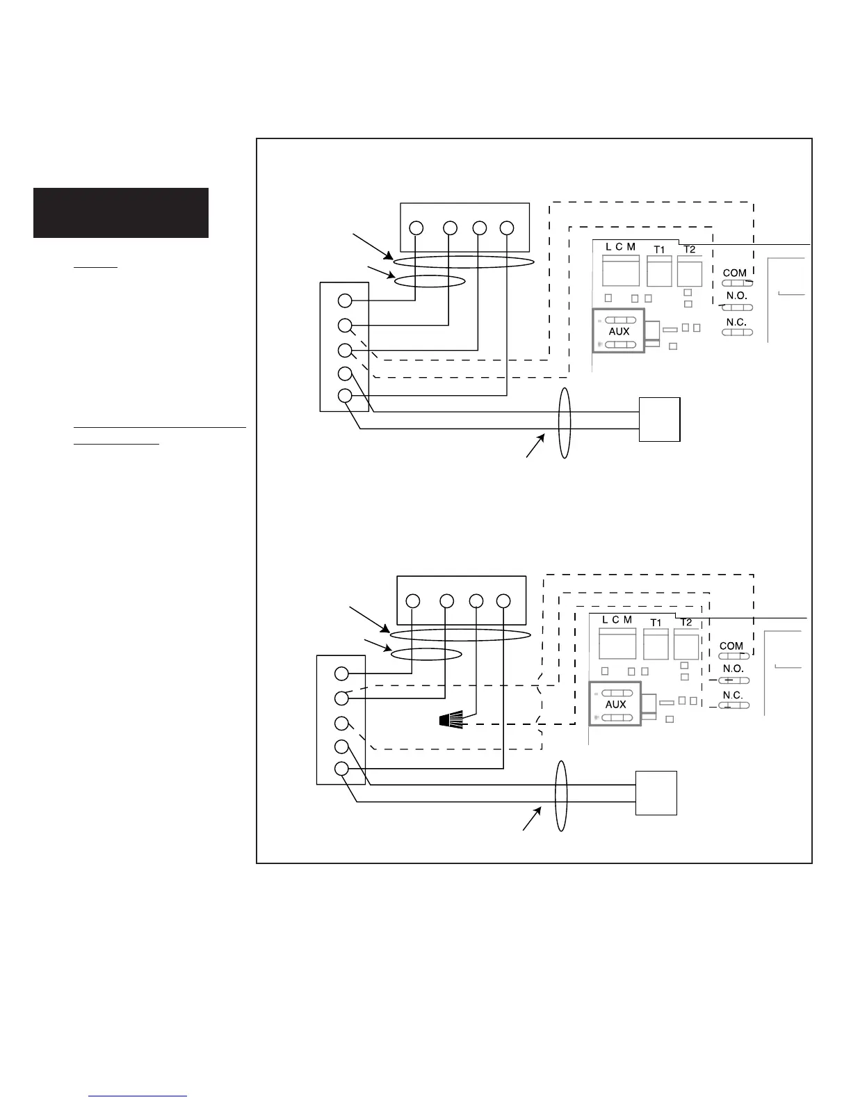
Standard Furnace Interlock Wiring
THERMOSTAT
TERMINALS
FURNACE
24-VOLT
TERMINAL BLOCK
FOUR
WIRE
TWO WIRE
heating only
TWO
WIRE
COOLING SYSTEM
HRV
ELECTRONIC BOARD
W
R
G
C
Y
W
R G
Y
Alternate Furnace Interlock Wiring
THERMOSTAT
TERMINALS
FURNACE
24-VOLT
TERMINAL BLOCK
FOUR
WIRE
TWO WIRE
heating only
TWO
WIRE
COOLING SYSTEM
HRV
ELECTRONIC BOARD
WIRE JOINT
ELECTRICAL CONNECTIONS (CONT'D)
Caution:
Never connect a 120 volt AC
circuit to the terminals of the
Accessory Control Contacts.
Only use the low voltage
class 2 circuit of the furnace
blower control.
For a Furnace Connected to a
Cooling System:
On some newer furnaces and
older thermostats, energiz-
ing the R and G terminals at
the furnace has the effect of
energizing the Y at the ther-
mostat and thereby turning
on the cooling system. If you
identify this type of thermo-
stat, you must use the
“Alternate Furnace
Interlock Wiring”.
PRACTICAL TIPS
ELECTRICAL CONNEC-
TION TO A FURNACE
Standard Accessory Control Contact
Alternative Accessory Control Contact

Other manuals for Fantech VHR 704

Related product manuals