EasyManua.ls Logo

FAR LF814RG21DK - Schéma Électrique

FAR LF814RG21DK
Print Icon
To Next Page IconTo Next Page
To Next Page IconTo Next Page
To Previous Page IconTo Previous Page
To Previous Page IconTo Previous Page
Loading...
FR-40
FRANÇAIS
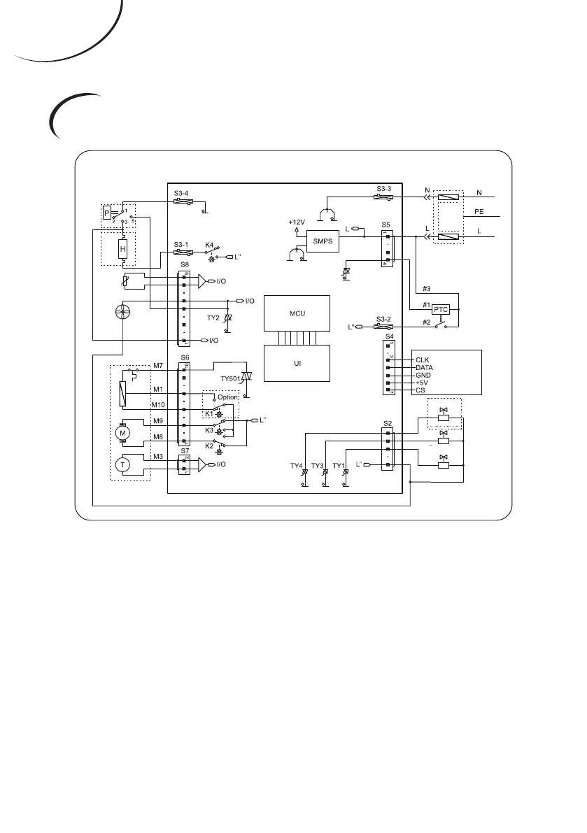
SCHÉMA ÉLECTRIQUE
Schéma électrique
Verrouillage de porte
Dispositif
chauant
CTN de
lavage
Pompe
Stator
Rotor
Tac hy mètre
Pré-valve
Valve principale
Valve chaude
Option
MODULE
LCD
MODULE
D-LED
Filtre IEM
Commutateur
de pression
Moteur
Remarque:
Les données peuvent être diérentes des valeurs
nominales fournies selon la pression de l'eau, la
dureté de l'eau, la température d'alimentation
de l'eau, la température de la pièce, le type
et le volume de la charge, les uctuations
de l'alimentation électrique et des options
supplémentaires sélectionnées.