EasyManua.ls Logo

FAR LF814RG21DK - Electric Diagram; Circuit Diagram and Components

FAR LF814RG21DK
Print Icon
To Next Page IconTo Next Page
To Next Page IconTo Next Page
To Previous Page IconTo Previous Page
To Previous Page IconTo Previous Page
Loading...
ENGLISH
GB-36
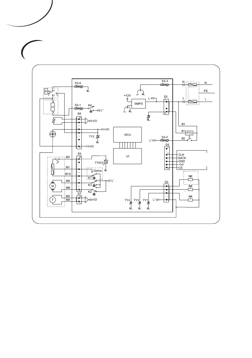
ELECTRIC DIAGRAM
Electric Diagram
Door Lock
Heater
Wash
NTC
Pump
Stator
Rotor
Ta c h o
Pre valve
Main valve
Hot valve
Option
LCD MODULE
D-LED
MODULE
EMI Filter
Pressure
switch
Motor
Note:
Data can vary from the nominal values given
depending on water pressure, water hardness,
water inlet temperate, room temperature, type
and volume of load, uctuations in the electricity
supply and any extra options seleceted.