EasyManua.ls Logo

Faraday 15220A - Page 32

Default Icon
66 pages
Print Icon
To Next Page IconTo Next Page
To Next Page IconTo Next Page
To Previous Page IconTo Previous Page
To Previous Page IconTo Previous Page
Loading...
III- 17
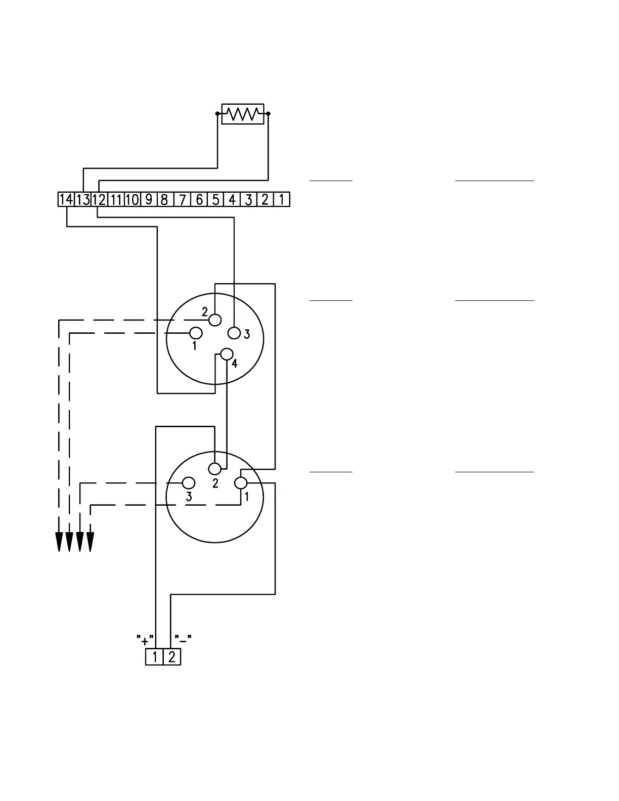
TYPICAL INITIATING DEVICE WIRING DIAGRAM
SYSTEM SENSOR TWO-WIRE (ZONE POWERED) SMOKE AND DUCT DETECTORS
Notes:
1.) This wiring diagram only shows general
information about the initiating device. For
specific wiring and installation information
read the instructions provided with each
device.
2.) For initiating circuit specifications see the
15220A Wiring Diagram (445928) or the
15240A Wiring Diagram (445929).
END OF LINE RESISTOR
(3.9K OHM 1/2 WATT)
FARADAY CAT. NO. SYSTEM SENSOR CAT. NO.
9437 OR 9440 DUCT DH1851DC OR
DETECTOR DH2851DC DUCT
DETECTOR
FARADAY CAT. NO. SYSTEM SENSOR CAT. NO.
9361 BASE WITH B401B BASE WITH
9358, 9359 OR 1451, 2451, OR
9360 DETECTOR 2451TH DETECTOR
FARADAY CAT. NO. SYSTEM SENSOR CAT. NO.
9374, 9375 OR 1400, 2400, OR
9376 DETECTOR 2400TH DETECTOR
TO REMOTE
INDICATOR
FARADAY 9180
SYSTEM SENSOR
RA400Z
INITIATING
CIRCUIT
firealarmresources.com

Related product manuals