EasyManua.ls Logo

Farfisa EX3252C - Page 29

Farfisa EX3252C
32 pages
Print Icon
To Next Page IconTo Next Page
To Next Page IconTo Next Page
To Previous Page IconTo Previous Page
To Previous Page IconTo Previous Page
Loading...
- 29 -
Mi 2480
ITALIANOENGLISHFRANÇAISESPAÑOLPORTUGUÊSDEUTSCH
Klingelton-Einstellung der Videohaustelefon
Ajustes das chamadas do video-porteiro
E
SCHOLA DA MELODIA FAVORITA
D
IE
L
IEBLINGS
M
ELODIE W HLEN
Ä
E
SCHOLA DA MELODIA FAVORITA
D
IE
L
IEBLINGS
M
ELODIE W HLEN
Ä
E
SCHOLA DA MELODIA FAVORITA
D
IE
L
IEBLINGS
M
ELODIE W HLEN
Ä
E
SCOLHA DO N MERO DE TOQUES DOS TONS
DE CHAMADA
(
DE
1
A
8
TOQUES
)
Ú
A
USWAHL DER
A
NZAHL
K
LINGELZEICHEN DER
K
LINGELT NE
(
VON
1
BIS
8K
LINGELZEICHEN
)
Ö
E
SCHOLA DA MELODIA FAVORITA
D
IE
L
IEBLINGS
M
ELODIE W HLEN
Ä
E
SCOLHA DO VOLUME DAS SONS
R
EGELUNG VOM
V
OLUMEN DER
L
UTWERKE
Ä
+
+
+
+
+
+
PRESSIONAR MAIS VEZES
MEHR
M
ALE DRÜ CKENE
PRESSIONAR MAIS VEZES
MEHR
M
ALE DRÜ CKENE
PRESSIONAR MAIS VEZES
MEHR
M
ALE DRÜ CKENE
PRESSIONAR MAIS VEZES
MEHR
M
ALE DRÜ CKENE
PRESSIONAR MAIS VEZES
MEHR
M
ALE DRÜ CKENE
PRESSIONAR MAIS VEZES
MEHR
M
ALE DRÜ CKENE
P
ROGRAMA O
T
IPO
,D
URA O
E
V
OLUME DOS TONS
ÇÃ ÇÃ
P
ROGRAMA O SOM
C
HAMADA DE OUTRO UTILIZADOR
ÇÃ
P
ROGRAMMIERUNG
L
UTWERK
R
UF VON
T
EILNEHMER
Ä
P
ROGRAMA O DO N MERO
DE TOQUES
ÇÃ Ú
P
ROGRAMMIERUNG DER
N
UMMER
VON
K
LINGELTON
P
ROGRAMA O SOM
C
HAMADA DE PATAMAR
ÇÃ
P
ROGRAMMIERUNG
L
UTWERK
E
TAGENRUF
Ä
P
ROGRAMA O DO
V
OLUME
DAS
S
ONS
ÇÃ
P
ROGRAMMIERUNG VOM
V
OLUMEN DER
L
UTWERKE
Ä
(
AO MENOS
4
SEGUNDOS
)
(
WENIGSTENS
4S
EKUNDEN
)
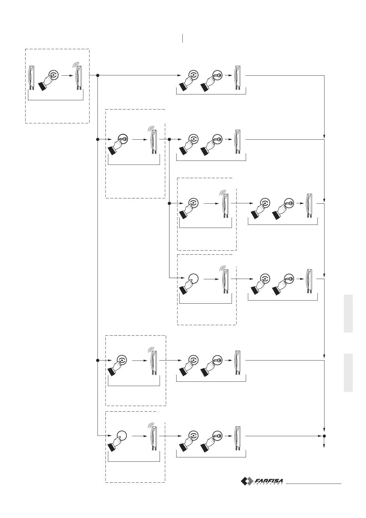
Som posto externo
Läutwerk Türstation
número de toques
Nummer Klingelton
T
U
-
T
U
-
T
U
T
U
-
T
U
-
T
U
T
U
-
T
U
-
T
U
T
U
-
T
U
-
T
U
T
U
-
T
U
-
T
U
T
U
-
T
U
-
T
U
S
OM CHAMADA DE
P
OSTO
E
XTERNO
L
UTWERK
:R
UF VON
T
RSTATION
ÄÜ
S
OM CHAMADA
I
NTERCOMUNICANTE
L
UTWERK
:
Ä
G
EGENSPRECHRUF
S
OM CHAMADA DE OUTRO
U
TILIZADOR
L
UTWERK
:R
UF VON ANDEREM
T
EILNEHMER
Ä
N
MERO DE TOQUES
Ú
N
UMMER VON
K
LINGELTON
S
OM CHAMADA DE
P
ATAMAR
L
UTWERK
:E
TAGENRUF
Ä
V
OLUME DAS SONS
V
OLUMEN DER
L
Ä UTWERKE
F
IM DA
PROGRAMA O
ÇÃ
E
NDE DER
P
ROGRAMMIERUNG
P
ROGRAMMIERUNG
T
YP
,
DAUERT
UND
V
OLUMEN DER
L
UTWERKE
Ä
P
ROGRAMA O SOM
C
HAMADAS
:
INTERCOMUNICANTE
,
DE UTILIZADOR E DE PATAMAR
ÇÃ
P
ROGRAMMIERUNG
L
UTWERK
G
EGENSPRECHRUF
,R
UF VON
T
EILNEHMER UND
E
TAGENRUF
Ä
(
AO MENOS
4
SEGUNDOS
)
(
WENIGSTENS
4S
EKUNDEN
)
(
AO MENOS
4
SEGUNDOS
)
(
WENIGSTENS
4S
EKUNDEN
)
(
AO MENOS
4
SEGUNDOS
)
(
WENIGSTENS
4S
EKUNDEN
)
(
AO MENOS
4
SEGUNDOS
)
(
WENIGSTENS
4S
EKUNDEN
)
(
AO MENOS
4
SEGUNDOS
)
(
WENIGSTENS
4S
EKUNDEN
)
Som intercomunicante
Läutwerk Gegensprechruf
Som de outro utilizador
Läutwerk Teilnehmer
Som de patamar
Läutwerk Etagenruf
Som posto externo
Läutwerk Türstation
1
1

Related product manuals