EasyManua.ls Logo

Farfisa EX3252C - Page 9

Farfisa EX3252C
32 pages
Print Icon
To Next Page IconTo Next Page
To Next Page IconTo Next Page
To Previous Page IconTo Previous Page
To Previous Page IconTo Previous Page
Loading...
- 9 -
Mi 2480
ITALIANOENGLISHFRANÇAISESPAÑOLPORTUGUÊSDEUTSCH
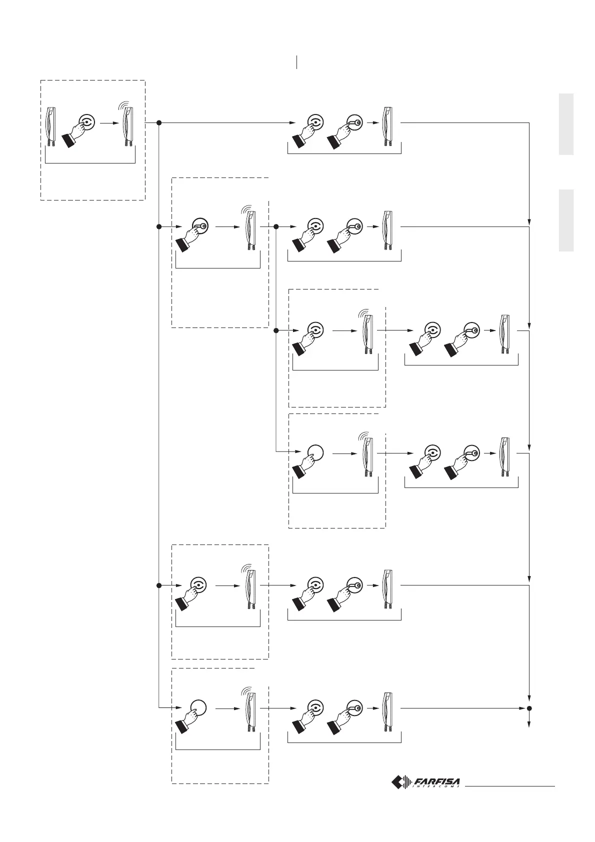
Adjustments of the videointercom ringers
Regolazioni delle sonerie del videocitofono
SCELTA DEL MOTIVO PREFERITO
CHOOSING A FAVORITE MELODY
SCELTA DEL MOTIVO PREFERITO
CHOOSING A FAVORITE MELODY
SCELTA DEL MOTIVO PREFERITO
CHOOSING A FAVORITE MELODY
SCELTA DEL NUMERO DI SQUILLI DELLE
SONERIE
(DA 1 A 8 SQUILLI)
S
ELECTING THE DURATION OF RINGERS
(FROM 1 TO 8 RINGS)
S
CELTA DEL MOTIVO PREFERITO
CHOOSING A FAVORITE MELODY
SCELTA DEL VOLUME DELLE SONERIE
CHOOSING THE VOLUME OF MELODIES
+
+
+
+
+
+
PREMERE PI VOLTEÙ
PRESS REPEATEDLY
PREMERE PI VOLTE
Ù
PRESS REPEATEDLY
PREMERE PI VOLTE
Ù
PRESS REPEATEDLY
PREMERE PI VOLTE
Ù
PRESS REPEATEDLY
PREMERE PI VOLTE
Ù
PRESS REPEATEDLY
PREMERE PI VOLTE
Ù
PRESS REPEATEDLY
PROGRAMMAZIONE SONERIE:
MELODIA, DURATA E VOLUME
PROGRAMMAZIONE SONERIA
CHIAMATA DA ALTRO UTENTE
PROGRAMMING MELODYFROM
THE OTHER USER
PROGRAMMAZIONE DEL NUMERO
DI SQUILLI
PROGRAMMING THE NUMBER
OF RINGERS
PROGRAMMAZIONE SONERIA
CHIAMATA DA PIANO
PROGRAMMING MELODY FOR
FLOOR CALL
PROGRAMMAZIONE DEL VOLUME
DELLE
SONERIE
PROGRAMMING THE VOLUME
OF MELODIES
(
PER ALMENO
4
SECONDI
)
(
AT LEAST
4
SECONDS
)
soneria posto esterno
door station melody
numero di squilli
number of rings
T
U
-
T
U
-
T
U
T
U
-
T
U
-
T
U
T
U
-
T
U
-
T
U
T
U
-
T
U
-
T
U
T
U
-
T
U
-
T
U
T
U
-
T
U
-
T
U
SONERIA CHIAMATA DA POSTO ESTERNO
MELODY FROM DOOR STATION CALL
SONERIA CHIAMATA INTERCOMUNICANTE
MELODY INTERCOMMUNICANTING CALL
SONERIA CHIAMATA DA ALTRO UTENTE
MELODY FROM ANOTHER USER
NUMERO SQUILLI
NUMBER OF RINGERS
SONERIA CHIAMATA DA PIANO
MELODY FLOOR CALL
VOLUME DELLE SONERIE
VOLUME OF MELODIES
FINE
PROGRAMMAZIONE
END OF
PROGRAMMING
PROGRAMMING RINGERS:
MELODY, TIMING AND VOLUME
PROGRAMMAZIONE SONERIA PER
CHIAMATE INTERCOMUNICANTI,
DA UTENTE E DA PIANO
PROGRAMMING MELODY FOR
INTERCOMMUNICATING CALL,
THE OTHER USER AND
FLOOR CALL
(
PER ALMENO
4
SECONDI
)
(
PER ALMENO
4
SECONDI
)
(
AT LEAST
4
SECONDS
)
(
AT LEAST
4
SECONDS
)
(
PER ALMENO
4
SECONDI
)
(
PER ALMENO
4
SECONDI
)
(
PER ALMENO
4
SECONDI
)
(
AT LEAST
4
SECONDS
)
(
AT LEAST
4
SECONDS
)
(
AT LEAST
4
SECONDS
)
soneria intercomunicante
intercommunicating melody
soneria da altro utente
from other usermelody
soneria da piano
from floor callmelody
soneria posto esterno
door station melody
1
1

Related product manuals