EasyManua.ls Logo

Fassi F 80A.23 - Page 18

Default Icon
94 pages
Print Icon
To Next Page IconTo Next Page
To Next Page IconTo Next Page
To Previous Page IconTo Previous Page
To Previous Page IconTo Previous Page
Loading...
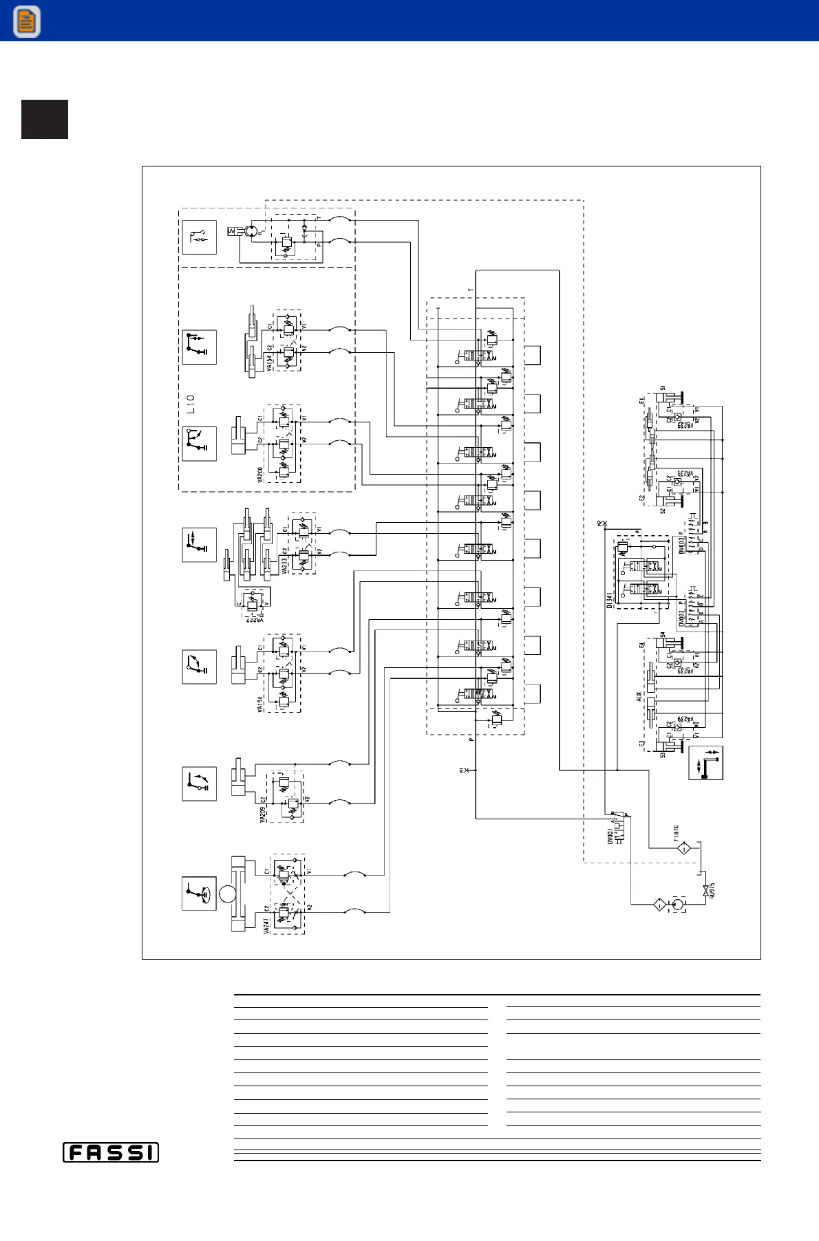
4.1
HYDRAULIC
SCHEMATICS
GR3
Hydraulic schematic for crane - HCD4 distributor - top seat controls - load limiting device
CODE DESCRIPTION
DI341
DISTRIBUTOR
DV003 DEVIATOR
DV007 DEVIATOR
FI870 FILTER (RETURN)
RU975 FAUCET
VA164 DOUBLE EFFECT BLOCK VALVE
VA194 DOUBLE EFFECT BLOCK VALVE
VA200 DOUBLE EFFECT BLOCK VALVE
VA209 SIMPLE EFFECT BLOCK VALVE
VA227 SEQUENCE VALVE
VA233 DOUBLE EFFECT BLOCK VALVE
VA239 SIMPLE EFFECT BLOCK VALVE
VA247 OIL FLOW REGULATOR VALVE FOR ROTATION
CYLINDER
View thousands of Crane Specifications on FreeCraneSpecs.com
View thousands of Crane Specifications on FreeCraneSpecs.com

Related product manuals