EasyManua.ls Logo

Fassi F 80A.23 - Page 19

Default Icon
94 pages
Print Icon
To Next Page IconTo Next Page
To Next Page IconTo Next Page
To Previous Page IconTo Previous Page
To Previous Page IconTo Previous Page
Loading...
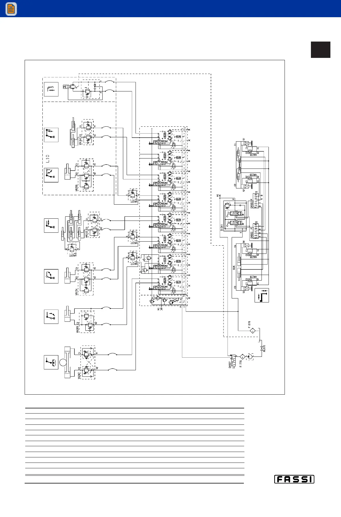
4.1
HYDRAULIC
SCHEMATICS
GR3
Hydraulic schematic for crane - Danfoss distributor - load limiting device
CODE DESCRIPTION
DI341
DISTRIBUTOR
DV003 DEVIATOR
DV007 DEVIATOR
FI870 FILTER
(RETURN)
VA164 DOUBLE EFFECT BLOCK VALVE
VA209 SIMPLE EFFECT BLOCK VALVE
VA227 SEQUENCE VALVE
VA233 DOUBLE EFFECT BLOCK VALVE
VA239 SIMPLE EFFECT BLOCK VALVE
VA247 OIL FLOW REGULATOR VALVE FOR ROTATION CYLINDER
View thousands of Crane Specifications on FreeCraneSpecs.com
View thousands of Crane Specifications on FreeCraneSpecs.com

Related product manuals